Empresas

Quienes somos

Anatronic SA

Paseo Imperial 8, 3º B • 28005 • Madrid • Madrid •España
Tel.: (+34) 913 660 159 • Fax: (+34) 913 655 095 • www.anatronic.com

PRODUCTOS Y SERVICIOS

Componentes electrónicos

MARCAS

Airpax, Aavid Corporation, Alpha Display, AMIC Technology, Antaira Technologies, Apacer, Aplex, Avalue Technology, Axiomtek, Bolymin, Comus, Crown, Fremont Micro Devices, e2v, Gemalto, GradConn, GTT, Hamlin, Handheld Group, Holtek, InnoDisk, Kemet, LCR Capacitors, Microchip, Micross Components, Minco, Nichicon, Premo, Priatherm, Qualstar Corporation, Quanmax, Sagitron, Semtech Corporation, Sensata, TDK Corporation, VACUUMSCHMELZE, VIA Technologies.

DELEGACIONES

Barcelona: Tel: 93 224 02 83 Fax: 93 224 02 79 Bilbao: Tel: 94 463 60 66 Fax: 94 463 42 35 Portugal: Tel: 01 9376267 Fax: 01 9371834

Productos

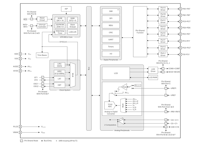
foto A/D con MCU Flash de tipo LCD

A/D con MCU Flash de tipo LCD

Los modelos HT67F60A y HT67F70A con memoria de programa de hasta 32K palabras resultan ideales en electrodomésticos, instrumentación, productos médicos, equipos de ejercicio y control industrial.


foto Aavid Thermalloy comercializa la tecnología DCJ de GE.

Aavid Thermalloy comercializa la tecnología DCJ de GE.

La representada de Anatronic ofrece soluciones avanzadas de refrigeración para múltiples mercados.


foto Altavoces piezocerámicos para aplicaciones industriales, dispositivos multimedia y automoción.

Altavoces piezocerámicos para aplicaciones industriales, dispositivos multimedia y automoción.

La serie Blue Line SPS reproduce el sonido con mínima distorsión y amplio rango de frecuencia.


foto Anatronic distribuye la nueva versión del Tablet ultra rugerizado Algiz 10X.

Anatronic distribuye la nueva versión del Tablet ultra rugerizado Algiz 10X.

Este modelo de Handheld con pantalla táctil capacitiva HD de 10.1” y funcionalidad GPS / GLONASS resulta ideal para trabajadores móviles del sector industrial.


foto Antena de eje Z para aplicaciones NFC en Smartphones.

Antena de eje Z para aplicaciones NFC en Smartphones.

La serie ZC1003HF de alta sensibilidad y bajo perfil ofrece elevado rendimiento en presencia de planos de tierra o batería.


foto Antena de tres ejes con sistema de inspección óptica automática (AOI) para automoción.

Antena de tres ejes con sistema de inspección óptica automática (AOI) para automoción.

El modelo 3DC11LP-AOI, que cumple la normativa AEC-Q200, es ideal en sistemas de entrada pasiva al vehículo (PKE).


foto Appliance de red con Intel® QuickAssist y dieciséis puertos LAN.

Appliance de red con Intel® QuickAssist y dieciséis puertos LAN.

El NA-360 de montaje en rack ofrece facilidad de implementación y elevado rendimiento para acelerar el retorno de inversión.


foto Barebones Mini ITX para sistemas embebidos

Barebones Mini ITX para sistemas embebidos

Los modelos BMX-T510 y BMX-T520 son ideales en señalización digital, appliances y vigilancia, juegos, kioscos inteligentes, control industrial y automatización.


foto Box PC embebido con procesador Intel Core, de Axiomtek-Anatronic.

Box PC embebido con procesador Intel Core, de Axiomtek-Anatronic.

Plataforma para tareas de inspección óptica automática, cartelería digital, vigilancia, juegos, control de automatización, puntos de venta (POS) y kioscos.


foto Box PC embebido sin ventilador ultra delgado.

Box PC embebido sin ventilador ultra delgado.

El ACS-2160 con procesador Intel D2550 ofrece elevado rendimiento y bajo consumo en señalización digital, kioscos y puntos de información.


foto Box PC embebido sin ventilador.

Box PC embebido sin ventilador.

El eBOX660-872-FL soporta procesadores Intel® Core™ de tercera generación (Intel® Ivy Bridge), cuatro RS-232/422/485, cuatro LAN y cuatro USB 3.0.


foto Box PC, de Aplex-Anatronic, para el sector ferroviario.

Box PC, de Aplex-Anatronic, para el sector ferroviario.

El ACS-2563 integra procesador Intel Atom D2550 y conectores M12.


foto Buzzer octogonal para aplicaciones con limitaciones de espacio.

Buzzer octogonal para aplicaciones con limitaciones de espacio.

El SMA-13LV es el modelo más compacto y “ruidoso” (80 dB(A) a 3 VDC.


foto Buzzer para piezo alarmas y sirenas de Sonitron.

Buzzer para piezo alarmas y sirenas de Sonitron.

El SMAC-25L genera una señal acústica de advertencia en situaciones críticas.


foto Cámara IP wireless de 2 MP con objetivo ojo de pez.

Cámara IP wireless de 2 MP con objetivo ojo de pez.

El modelo ICA-W8200 es ideal en tareas de vigilancia en tiendas, restaurantes y cualquier espacio cerrado.


foto Chip Ethernet para el Internet de las Cosas.

Chip Ethernet para el Internet de las Cosas.

El W5500 ofrece rendimiento TCP/IP y facilidad de uso en aplicaciones de bajo coste.


foto Choques de modo común para sistemas de bus CAN y FlexRay en automoción.

Choques de modo común para sistemas de bus CAN y FlexRay en automoción.

La serie ACT1210, que opera en el rango de -55 a +150 °C, está fabricada en un proceso totalmente automatizado para ofrecer fiabilidad y rendimiento consistente.


foto Componentes inductivos para la industria de la automoción.
Choques y transformadores para vehículos gasolina / diésel y eléctricos.

Componentes inductivos para la industria de la automoción. Choques y transformadores para vehículos gasolina / diésel y eléctricos.

VACUUMSCHMELZE GmbH & Co, empresa representada en España por Anatronic, S.A., ha mostrado las novedades en su amplia gama de componentes inductivos para el sector de la automoción.


foto Condensadores de aluminio tipo chip con ESR regulada.

Condensadores de aluminio tipo chip con ESR regulada.

Con un rango de temperatura operativa de -40 a +125 °C, la Serie UCH responde a las necesidades del sector de la automoción.


foto Condensadores de potencia con elevada densidad de energía.

Condensadores de potencia con elevada densidad de energía.

Los modelos con impregnación de resina son ideales en convertidores de tracción y sistemas HVDC.


foto Condensadores electrolíticos de aluminio de 600 V para energías renovables.

Condensadores electrolíticos de aluminio de 600 V para energías renovables.

Los nuevos modelos de tipo terminal snap-in de la serie LGN se pueden emplear en circuitos de inversor de alta tensión. También resultan ideales en otras muchas aplicaciones de electrónica de potencia.


foto Condensadores electrolíticos de aluminio, Nichicon-Anatronic, tipo-chip con la menor impedancia de la industria.

Condensadores electrolíticos de aluminio, Nichicon-Anatronic, tipo-chip con la menor impedancia de la industria.

La serie CV, que resulta ideal en electrodomésticos y a bordo de vehículos, garantiza 2000 horas de operación a +105 °C.


foto Condensadores MLCC libres de halógenos para automoción y propósitos generales.

Condensadores MLCC libres de halógenos para automoción y propósitos generales.

Estos modelos, que minimizan el impacto ambiental, se pueden emplear en entornos adversos con temperaturas de hasta +150 °C.


foto Controladores de factor de potencia para redes industriales.
Las unidades BR7000 permiten la gestión de hasta 32 módulos tiristores vía RS485.

Controladores de factor de potencia para redes industriales. Las unidades BR7000 permiten la gestión de hasta 32 módulos tiristores vía RS485.

TDK Corporation, empresa representada en España, Portugal y Chile por Anatronic, S.A., ha ampliado su serie BR7000 de controladores de factor de potencia (PFC) EPCOS con dos nuevos modelos.


foto Diseño de referencia para LED de 7 W

Diseño de referencia para LED de 7 W

El FT8260B-7S700mA reduce el tiempo de desarrollo de aplicaciones de iluminación.


foto Displays LCD, de Alpha Display-Anatronic, para entornos industriales. Modelos de 5.7 a 32” para aplicaciones profesionales (24/7).

Displays LCD, de Alpha Display-Anatronic, para entornos industriales. Modelos de 5.7 a 32” para aplicaciones profesionales (24/7).

Alpha Display, empresa representada en España, Portugal y Chile por Anatronic, S.A., ha ampliado su familia de displays industriales para ofrecer el monitor LCD más adecuado en cualquier aplicación profesional (24/7).


foto Disyuntores de circuito hidráulicos-magnéticos Sensata.

Disyuntores de circuito hidráulicos-magnéticos Sensata.

Las series LEJ/LEJA resultan ideales en centros de datos, telecomunicaciones y aplicaciones industriales.


foto Disyuntores hidráulico-magnéticos de poca profundidad.

Disyuntores hidráulico-magnéticos de poca profundidad.

La serie Airpax™ LEGA es ideal en unidades de distribución eléctrica de rack de bajo perfil para centros de datos.


foto Drivers de corriente constante para aplicaciones LED.

Drivers de corriente constante para aplicaciones LED.

Las unidades FT833 son ideales en aplicaciones de iluminación aislada en estado sólido, bombillas LED GU10 / E27 y spot light.


foto Drivers LED, Fremont Micro Devices-Anatronic, para aplicaciones de iluminación.

Drivers LED, Fremont Micro Devices-Anatronic, para aplicaciones de iluminación.

La familia FT8870 simplifica el diseño en aplicaciones de backlighting y paneles de display plano.


foto Elementos de calentamiento PTC para vehículos eléctricos.

Elementos de calentamiento PTC para vehículos eléctricos.

Componentes cerámicos para garantizar una operación segura con hasta 1000 V. TDK Corporation, empresa representada en España, Portugal y Chile por Anatronic, S.A., ha anunciado nuevos elementos de calentamiento EPCOS PTC para vehículos eléctricos.


foto Extensores Ethernet, EtherWAN-Anatronic, sobre cable RJ11 o de cobre.

Extensores Ethernet, EtherWAN-Anatronic, sobre cable RJ11 o de cobre.

Los modelos ED3501 y ED3541 aportan mejoras en distancia, ancho de banda y rendimiento a transmisiones de datos punto a punto.


foto Filtros activos de armónicos para optimizar la calidad de potencia.

Filtros activos de armónicos para optimizar la calidad de potencia.

La serie EPCOS PQSine™ es ideal en redes eléctricas trifásicas.


foto Filtros DC y AC para inversores en paneles solares y turbinas eólicas.

Filtros DC y AC para inversores en paneles solares y turbinas eólicas.

Las series FEDC y HCWMGF poseen la aprobación TÜV SÜD.


foto Filtros EMC e IEC para fuentes de alimentación. Suprimen las interferencias y el ruido.

Filtros EMC e IEC para fuentes de alimentación. Suprimen las interferencias y el ruido.

TDK Corporation, empresa representada en España, Portugal y Chile por Anatronic, S.A., ha ampliado su gama de filtros para fuentes de alimentación con la introducción de filtros EMC de dos líneas de la serie SIFI® y filtros de entrada IEC fabricados por EPCOS.


foto Fuentes de alimentación AC-DC de 125 y 160 W.

Fuentes de alimentación AC-DC de 125 y 160 W.

Las unidades XR125 & XR160 resultan ideales en productos de broadcast, almacenamiento y networking en los mercados industrial, juegos (gaming) e instrumentación.


foto Fuentes de alimentación AC-DC de carril DIN.

Fuentes de alimentación AC-DC de carril DIN.

La serie DL, con un rango de potencia de hasta 480 W, resulta ideal en aplicaciones industriales, transporte y automatización de factorías.


foto Fuentes de alimentación de hasta 1200 W con certificaciones médicas.

Fuentes de alimentación de hasta 1200 W con certificaciones médicas.

La serie ML, con tres años de garantía, se pueden emplear en sanidad y otros sectores.


foto Fuentes de alimentación programables de hasta 3000 W de N2Power - Anatronic.

Fuentes de alimentación programables de hasta 3000 W de N2Power - Anatronic.

Las series XL y PL ofrecen elevada potencia en muy diversas aplicaciones, como broadcast, almacenamiento y networking, entornos industriales, juegos e instrumentación.


foto Gateway industrial de carril DIN para Internet de las Cosas.

Gateway industrial de carril DIN para Internet de las Cosas.

El ICO300 es un sistema embebido sin ventilador con procesador Intel Atom E3815 para entornos adversos, como automatización de centrales eléctricas, monitorización de instalaciones y transporte inteligente (ITS).


foto IC driver flyback para aplicaciones de iluminación LED.

IC driver flyback para aplicaciones de iluminación LED.

El HT7L5600 supera los requerimientos de seguridad y eficiencia para fomentar el reemplazo de bombillas y tubos convencionales.


foto Inductores de potencia metálicos para dispositivos móviles.

Inductores de potencia metálicos para dispositivos móviles.

La serie VLS-HBX, con un perfil de 1 mm, incrementa la capacidad de corriente y reduce la resistencia DC en comparación con modelos similares.


foto Inductores de potencia rugerizados para electrónica de automoción.

Inductores de potencia rugerizados para electrónica de automoción.

Las unidades CLF6045NI-D aportan eficiencia y fiabilidad en un rango extendido de temperatura.


foto Kit de desarrollo con módulo Java para Internet de las Cosas.

Kit de desarrollo con módulo Java para Internet de las Cosas.

El Cinterion Concept Board acelera el diseño y el lanzamiento de soluciones M2M de próxima generación.


foto Kits de desarrollo para dispositivos ARINC 429 autónomos.

Kits de desarrollo para dispositivos ARINC 429 autónomos.

Permiten la transmisión o recepción de datos sin necesidad de usar un MCU o software.


foto Materiales avanzados para motores y generadores eléctricos de alto rendimiento.

Materiales avanzados para motores y generadores eléctricos de alto rendimiento.

Los core stacks con menor grosor ofrecen una alternativa eficiente y económica en deportes de motor y la industria aeroespacial.


foto Materiales avanzados y aleaciones para aplicaciones magnéticas de VACUUMSCHMELZE - Anatronic.

Materiales avanzados y aleaciones para aplicaciones magnéticas de VACUUMSCHMELZE - Anatronic.

Proporcionan mejoras tecnológicas en un gran número de entornos industriales.


foto Materiales VAC en el nuevo avión Solar Impulse. La representada de Anatronic participa en el proyecto para dar la vuelta al mundo usando solamente energía solar.

Materiales VAC en el nuevo avión Solar Impulse. La representada de Anatronic participa en el proyecto para dar la vuelta al mundo usando solamente energía solar.

André Borschberg y el equipo del proyecto Solar Impulse han presentado el nuevo avión con el que pretenden dar la vuelta al mundo en cinco etapas en 2015 usando solamente energía solar.


foto MCU Flash Tinypower™ con preamplificador óptico (OPA) de Holtek - Anatronic.

MCU Flash Tinypower™ con preamplificador óptico (OPA) de Holtek - Anatronic.

El HT45F24A de bajo consumo responde a las necesidades de detectores de humo y gas, productos de seguridad en el hogar, electrodomésticos, electrónica de consumo, control industrial y automoción.


foto Micro-módulo Bluetooth Smart

Micro-módulo Bluetooth Smart

El SESUB-PAN-T2541 Bluetooth 4.0 LE facilita la implementación de conectividad y reduce el consumo de energía en muy diversas aplicaciones inalámbricas.


foto Micrófono MEMS con ratio de señal a ruido de 66 dB(A).

Micrófono MEMS con ratio de señal a ruido de 66 dB(A).

El modelo C928 ayuda a mejorar la calidad de audio en Smartphones.


foto Minco amplía su portfolio de soluciones para aplicaciones médicas.

Minco amplía su portfolio de soluciones para aplicaciones médicas.

Calentadores, sensores de temperatura y ensamblajes de circuito flex para aplicaciones de gestión térmica.


foto Módulo  de comunicación M2M de Cinterion Anatronic con Oracle Java ME Embedded 3.2 para ofrecer conectividad inalámbrica segura.

Módulo de comunicación M2M de Cinterion Anatronic con Oracle Java ME Embedded 3.2 para ofrecer conectividad inalámbrica segura.

El EHS5 permite integrar datos Edge-to-Enterprise y ayuda a acelerar la llegada al mercado. Cinterion, empresa representada en España por Anatronic, ha anunciado el EHS5, un nuevo módulo de comunicación M2M de alta velocidad que ha sido diseñado para proporcionar una conexión inalámbrica segura en una amplia variedad de aplicaciones industriales.


foto Módulo gateway serie a Ethernet de dos puertos.

Módulo gateway serie a Ethernet de dos puertos.

El WIZ127SR convierte protocolo RS-232 en TCP/IP.


foto Módulo inalámbrico para aplicaciones M2M.

Módulo inalámbrico para aplicaciones M2M.

El Cinterion PCS3 es el primer modelo en cumplir los estándares CDMA 1X Advanced y Rev. F.


foto Módulo LCD de Bolymin - Anatronic con marco metálico.

Módulo LCD de Bolymin - Anatronic con marco metálico.

El BG16080C es ideal en dispositivos móviles y multimedia.


foto Módulo LCD gráfico de alta resolución y bajo consumo.

Módulo LCD gráfico de alta resolución y bajo consumo.

El BG12864E es un display LED ideal en instrumentos de medición, equipos industriales, electrodomésticos y electrónica de consumo.


foto Módulo LCD gráfico en encapsulado COG.

Módulo LCD gráfico en encapsulado COG.

El BO12864B2 se puede emplear con cualquier condición de luz.


foto Módulo Microduino con chip TCP / IP Ethernet de WIZnet.

Módulo Microduino con chip TCP / IP Ethernet de WIZnet.

Responde a las necesidades de aplicaciones Ethernet embebidas que demandan bajo consumo de energía y amplio rango de temperatura operativa.


foto Módulo mLCM con controlador y diseño multi-interface (RS232/SPI/I2C).

Módulo mLCM con controlador y diseño multi-interface (RS232/SPI/I2C).

El BC1602EI con USB opcional posee un formato 16x2 (dieciséis caracteres por dos líneas).


foto Módulo mLCM con controlador y diseño multi-interface.

Módulo mLCM con controlador y diseño multi-interface.

El modelo BC2002BI, con RS232, SPI e I2C y USB opcional, es un display LED ideal para dispositivos electrónicos y multimedia.


foto Módulo mLCM con diseño multi-interface y controlador.

Módulo mLCM con diseño multi-interface y controlador.

El modelo BC2402AI puede actuar como display LED en diversos dispositivos electrónicos y multimedia.


foto Módulo TFT-LCD de 8” con tarjeta de vídeo

Módulo TFT-LCD de 8” con tarjeta de vídeo

El BT080DBBAHH con formato ‘open frame’ se puede integrar en numerosas aplicaciones embebidas.


foto Módulo WIZnet en el WiFi Shield V2.1 para Arduino.

Módulo WIZnet en el WiFi Shield V2.1 para Arduino.

Permite la conexión a cualquier dispositivo con puertos serie TTL y, por lo tanto, su control y gestión a través de una red inalámbrica.


foto Módulo, WIZnet -  Anatronic, gateway serie a Ethernet.

Módulo, WIZnet - Anatronic, gateway serie a Ethernet.

El WIZ550S2E convierte protocolo RS-232 en TCP/IP.


foto Módulos de expansión, Innodisk-Anatronic, para sistemas embebidos en IoT y aplicaciones industriales.

Módulos de expansión, Innodisk-Anatronic, para sistemas embebidos en IoT y aplicaciones industriales.

La línea Embedded Peripheral incorpora conectividad Gigabit Ethernet o Serie Multipuerto.


foto Módulos DRAM con cubierta para entornos extremos.

Módulos DRAM con cubierta para entornos extremos.

Protección ante la presencia de humedad, polvo y contaminantes.


foto Módulos OLED con formato COG  Bolymin-Anatronic.

Módulos OLED con formato COG Bolymin-Anatronic.

El BL1602A1 con rango de temperatura ampliado ofrece alta fiabilidad y bajo consumo.


foto Módulos periféricos para sistemas embebidos.

Módulos periféricos para sistemas embebidos.

Innodisk Embedded Peripherals ofrece capacidades de conversión de señal y expansión.


foto Monitores monocromos y a color de 19” para aplicaciones de imagen médica.

Monitores monocromos y a color de 19” para aplicaciones de imagen médica.

La Serie APM-190 cumple los estrictos requerimientos de intensificador de imagen, angiografía por sustracción digital (DSA) y angiografía por tomografía computada (CTA).


foto Nuevos imanes permanentes de tierras raras VACODYM.

Nuevos imanes permanentes de tierras raras VACODYM.

La Serie 9 con mayor remanencia es ideal en aplicaciones con servomotores.


foto Ordenador monotarjeta de 3.5” con procesador Intel® Atom E3800.

Ordenador monotarjeta de 3.5” con procesador Intel® Atom E3800.

El ECM-BYT es ideal en sistemas y aplicaciones inteligentes.


foto Panel PC con pantalla táctil de 12.1” para exteriores.

Panel PC con pantalla táctil de 12.1” para exteriores.

El GOT812LR-832 con cubierta IP66 (NEMA 4X) opera en un amplio rango de temperatura.


foto Panel PC de acero inoxidable con pantalla táctil de 15”.

Panel PC de acero inoxidable con pantalla táctil de 15”.

El APC-3593P integra el procesador Intel Atom D2550 de bajo consumo y ofrece una protección IP65/IP69K.


foto Panel PC médico con pantalla táctil de 17.3”

Panel PC médico con pantalla táctil de 17.3”

Solución de info-entretenimiento para profesionales sanitarios y pacientes.


foto Panel PC multi-toque de 15, 17 y 19”.

Panel PC multi-toque de 15, 17 y 19”.

Los modelos PPC-1500/1700/1900, que soportan hasta diez toques simultáneos, simplifican la operación en aplicaciones de control de automatización, sistemas de vigilancia, info-entretenimiento y kioscos.


foto Panel PC táctil de 19” para entornos industriales, de Anatronic-Axiomtek.

Panel PC táctil de 19” para entornos industriales, de Anatronic-Axiomtek.

El P1197-861 integra procesador Intel® Core™ y slot de expansión PCI o PCIe.


foto PDA profesional ultra-rugerizada con Windows Embedded Handheld 6.5

PDA profesional ultra-rugerizada con Windows Embedded Handheld 6.5

NAUTIZ X1, que combina lo mejor de un terminal ultra-rugerizado y un Smartphone, facilita la portabilidad de sistemas operativos y ofrece una captura de datos segura y eficiente.


foto Placa Pico-ITX para aplicaciones embebidas con dispositivos Android.

Placa Pico-ITX para aplicaciones embebidas con dispositivos Android.

La VIA VAB-1000 incluye VIA Elite E1000 Cortex-A9 SoC y motor gráfico y de vídeo para responder a los requerimientos de kioscos interactivos, señalización digital y HMI.


foto Placas madre EPIC de 4” con procesadores Intel Core i de cuarta generación.

Placas madre EPIC de 4” con procesadores Intel Core i de cuarta generación.

Los modelos APLEXTEC SBC-7110 y SBC-7111, con SoC de 22nm, ofrecen un rendimiento eficiente en muy diversas aplicaciones industriales.


foto Primer transceptor ARINC 717 / 429 de 3.3 V de Holt Integrated Circuits (Holt IC) - Anatronic

Primer transceptor ARINC 717 / 429 de 3.3 V de Holt Integrated Circuits (Holt IC) - Anatronic

El HI-3718 permite que un solo IC conecte un protocolo digital directamente al bus.


foto Receptores de línea ARINC 429 con protección ante descarga de rayo

Receptores de línea ARINC 429 con protección ante descarga de rayo

Mayor fiabilidad en aplicaciones con condiciones adversas en aviónica.


foto SBC de 3.5” con procesador Intel® Bay Trail.

SBC de 3.5” con procesador Intel® Bay Trail.

El ECM-BYT2 es una alternativa económica para sistemas y aplicaciones inteligentes de elevado rendimiento y bajo consumo.


foto SBC de 5.25” con procesadores Intel® Core™ de quinta generación.

SBC de 5.25” con procesadores Intel® Core™ de quinta generación.

El EBM-BDW ofrece formato compacto, ultra bajo consumo, alto rendimiento y elevadas capacidades gráficas.


foto SBC Mini-ITX con procesador “Haswell” de cuarta generación y chipset QM87 / HM87

SBC Mini-ITX con procesador “Haswell” de cuarta generación y chipset QM87 / HM87

La serie KEMX-8000 se puede integrar en aplicaciones con elevadas capacidades de procesamiento de retail, juego, vending, sanidad y seguridad.


foto SBC Pico-ITX para sistemas embebidos de Axiomtek - Anatronic.

SBC Pico-ITX para sistemas embebidos de Axiomtek - Anatronic.

El PICO880 ofrece elevado rendimiento informático y gráfico y múltiples capacidades de expansión en un formato compacto.


foto Sellado de cable con certificación ATEX.

Sellado de cable con certificación ATEX.

El FG4015 de Minco ahora también se puede usar en “entornos peligrosos” y atmósferas potencialmente explosivas.


foto Sensor de proximidad inteligente Semtech de Anatronic para dispositivos móviles y Tablets

Sensor de proximidad inteligente Semtech de Anatronic para dispositivos móviles y Tablets

El SX9300 desarrolla sensado capacitivo con discriminación de presencia de cuerpo humano y objetos inertes.


foto Sensor DI para sistemas trifásicos.

Sensor DI para sistemas trifásicos.

El modelo T60404-N4646-X976, con compatibilidad plug-and-play y funciones de auto-monitorización y test, se puede emplear en inversores solares sin transformador.


foto Sensores de corriente AC para paneles de distribución eléctrica.

Sensores de corriente AC para paneles de distribución eléctrica.

Ideales en sistemas de gestión de energía (EMS) para hogares, edificios y comercios.


foto Sensores de corriente con circuito integrado.

Sensores de corriente con circuito integrado.

Ayudan a incrementar la precisión y la fiabilidad y reducir el número de componentes en muy diversas aplicaciones.


foto Sistema de conexión WTB con inclinación de 1.2 mm de GradConn - Anatronic.

Sistema de conexión WTB con inclinación de 1.2 mm de GradConn - Anatronic.

Ofrece bajo perfil y fácil terminación en múltiples aplicaciones: GPS, reproductores de DVD, ordenadores portátiles, teléfonos móviles e iluminación.


foto Sistema embebido Bolymin-Anatronic con display táctil de 7” y marco frontal IP66.

Sistema embebido Bolymin-Anatronic con display táctil de 7” y marco frontal IP66.

El BE230C, con CPU ARM-Cortex-A8 de 32 bit y sistema operativo WINCE 6.0 R3 Core, se puede integrar en dispositivos médicos, equipos de automatización a bordo de vehículos e interfaces HMI.


foto Sistema embebido con display TFT-LCD de 3.5” de Bolymin.

Sistema embebido con display TFT-LCD de 3.5” de Bolymin.

El BE635, que integra un microprocesador de 32 bit, es una solución “todo en uno” para múltiples aplicaciones de panel de control en entornos comerciales, sanitarios e industriales.


foto Sistema embebido de display con backlight LED de color blanco.

Sistema embebido de display con backlight LED de color blanco.

El BEGV643A integra módulo STN LCD de 320 x 240, microprocesador y diversos periféricos para ofrecer una solución compacta, eficiente y económica.


foto Sistema embebido sin ventilador, de VIA Technologies, Inc, representada en España, Portugal y Chile por Anatronic, para Internet de las Cosas en entornos adversos.

Sistema embebido sin ventilador, de VIA Technologies, Inc, representada en España, Portugal y Chile por Anatronic, para Internet de las Cosas en entornos adversos.

El VIA AMOS-3003 es un diseño compacto y rugerizado con conectividad de red a través de Gigabit Ethernet dual, Wi-Fi, GPS y soporte de doble tarjeta SIM para Networking 3G.


foto Sondas de prueba GradConn-Anatronic para ensamblajes de cable de bajo coste.

Sondas de prueba GradConn-Anatronic para ensamblajes de cable de bajo coste.

Ideales en tareas de inspección de circuitos de alta frecuencia.


foto Sopladores Crown con motor BLDC de cuatro polos.

Sopladores Crown con motor BLDC de cuatro polos.

La serie BGE05512 resulta ideal en telecomunicaciones, Networking, automatización de hogares y oficinas, sanidad y entornos industriales.


foto SSD industriales con formato SATA III de 2.5” y SATA Slim.

SSD industriales con formato SATA III de 2.5” y SATA Slim.

La serie 3MG2-P ofrece almacenamiento rugerizado y fiable a numerosas aplicaciones.


foto Switch Gigabit Ethernet gestionado para pymes y entornos industriales.

Switch Gigabit Ethernet gestionado para pymes y entornos industriales.

El GDS-1020S, con ocho puertos 10/100/1000 Mbps y dos interfaces SFP 100/1000X, puede gestionar grandes cantidades de datos, voz y vídeo en una topología segura.


foto Switch Reed normalmente abierto de Hamlin Anatronic

Switch Reed normalmente abierto de Hamlin Anatronic

El MRPR-8 Miniature HV está especialmente indicado en relés, tareas de sensado, telecomunicaciones, automoción y electrodomésticos. Hamlin, empresa representada en España por Anatronic, S.A., ha anunciado el modelo MRPR-8 Miniature HV, un switch Reed normalmente abierto que se presenta en una membrana de vidrio con una longitud de 20.32 mm y un diámetro de 2.84 mm.


foto Tablet Android “rugerizado” VIA Viega con pantalla de 10.1”.

Tablet Android “rugerizado” VIA Viega con pantalla de 10.1”.

El VIA Viega es una “solución a medida” para aplicaciones informáticas móviles en entornos industriales, retail y transporte.


foto Tecnología M2M Cinterion para dispositivo mHealth de próxima generación.

Tecnología M2M Cinterion para dispositivo mHealth de próxima generación.

Un nuevo dispensador de pastillas inteligente con conectividad inalámbrica mejora el bienestar, la independencia y la tranquilidad de pacientes, familiares y cuidadores.


foto Terminal de datos móviles con display táctil de 7” y módulo 3G / GPS.

Terminal de datos móviles con display táctil de 7” y módulo 3G / GPS.

El BE905A1, con accesorios de montaje en vehículo, transmite información de localización y soporta comunicación de voz y datos con un centro de control.


foto Timbres Sonitron - Anatronic para entornos adversos.

Timbres Sonitron - Anatronic para entornos adversos.

La serie SRA es ideal en aplicaciones industriales, automoción y alarmas de seguridad.


foto Transformadores de corriente y powerline para redes inteligentes de suministro eléctrico (smart grid).

Transformadores de corriente y powerline para redes inteligentes de suministro eléctrico (smart grid).

Garantizan la máxima precisión en tareas de medición de contadores y sistemas de monitorización.


foto Transformadores de drive de puerta para control IGBT, de VACUUMSCHMELZE-Anatronic.

Transformadores de drive de puerta para control IGBT, de VACUUMSCHMELZE-Anatronic.

Realizados en material VITROPERM® nanocristalino, los nuevos productos resultan ideales en electrónica de potencia.


foto Transformadores y cut cores VITROPERM de VACUUMSCHMELZE - Anatronic

Transformadores y cut cores VITROPERM de VACUUMSCHMELZE - Anatronic

Ofrecen elevada densidad de potencia y baja pérdida para minimizar el tamaño (volumen) y maximizar la eficiencia operativa.


foto Ventiladores axiales DC de Crown Precision & Electronics Co. Ltd - Anatronic.

Ventiladores axiales DC de Crown Precision & Electronics Co. Ltd - Anatronic.

La gama AGE02510 ofrece un flujo de aire de hasta 2.41 CFM.

Actualidad de la empresa

foto noticia Módulo sensor de temperatura digital con funciones RTC.

Kit convertidor de medio EtherCAT industrial para entornos adversos.

El IECC-210-KIT (IECC-210T + IECC-210R) para carril DIN soporta una distancia de transmisión de datos de hasta 60 km.


Sistema embebido para carril DIN sin ventilador

El sistema embebido para carril DIN sin ventilador del modelo ICO330 es ideal en tareas de recopilación y comunicación de datos en múltiples aplicaciones IoT.


Machine Vision Box PC para tareas de inspección automatizada en factorías.

Ideal en proyectos IIoT e Industria 4.0, el Machine Vision Box PC del modelo AVS-320 ofrece un diseño compacto y rugerizado que se integra fácilmente con cámaras de visión artificial y otros dispositivos.


Módulo NFC para manijas de puertas de vehículos en sistemas Smart Key.

Los avances en tecnologías de telecomunicaciones y servicios de red permiten a los fabricantes de vehículos y las empresas Tier 1 desarrollar nuevos métodos de acceso, con el teléfono móvil como el principal dispositivo.


Sistema de detección de objetos y personas para vehículos y maquinaria pesada.

El sistema de detección de objetos VIA Mobile360 Heavy Equipment Safety System ofrece una solución escalable que aumenta la seguridad de los trabajadores en construcción, minería y otros muchos sectores.


MCU transmisor RF Sub-1 GHz

El MCU transmisor RF Sub-1 GHz BC66F2143 satisface las necesidades de múltiples productos y aplicaciones que requieren un display LCD/LED.


Fuentes de alimentación XL180 AC-DC de 180 W y alta eficiencia.

Los modelos de fuentes de alimentación XL180, que poseen un formato open-frame de 2 x 3 x 1.24”, garantizan un rendimiento fiable sin ventilador en un gran número de aplicaciones.


HMI rugerizados de 12.1” para entornos adversos.

Los modelos de la serie iW-G39RH pueden actuar como pantalla o panel de control en minería, maquinaria agrícola y de construcción, trenes y barcos y almacenes.


Módulo RFID y NFC de 13,56 MHz multiprotocolo totalmente integrado.

El módulo RFID y NFC RYRR30I resulta ideal en sistemas de identificación de proximidad para una gran variedad de aplicaciones.


Soluciones de iluminación LED para aplicaciones navales.

Ofrecen rendimiento y eficiencia en diseños especiales para cumplir los estrictos requisitos de buques y portaviones, patrulleras y submarinos.


HMI y displays con TFT-LCD de 10.1”, 15.6” y 21.5” para fábricas inteligentes.

Los HMI y displays de la serie HELIO ofrecen una solución robusta y eficaz que satisface las necesidades de sistemas de automatización de factorías.


MCU con control de motor BLDC para aplicaciones con PCB de pequeñas dimensiones.

El MCU con control de motor BLDC del modelo BD66FM6545G, que integra un LDO y un driver de 48 V trifásico, es ideal en robots aspiradores, bombas y productos de ventilación con sensor Hall de onda sinusoidal.


Condensadores para sistemas eléctricos en una amplia variedad de aplicaciones.

Los condensadores para sistemas eléctricos cumplen las estrictas regulaciones de calidad eléctrica en potencia reactiva y armónicos para garantizar una operación eficiente en múltiples instalaciones.


Fuentes de alimentación AC-DC de 125 W con formato open frame de 2 x 3 x 1.16”

La serie XS125 de fuentes de alimentación AC-DC ofrece la máxima densidad de potencia de su clase en un gran número de aplicaciones.


Kit de desarrollo ADK-6139 para el terminal MIL-STD-1553A HI-6139

El Kit de desarrollo ADK-6139, que incluye código fuente personalizable, permite añadir capacidad 1553A a cualquier diseño de terminal MAMBA.


PhanTAM – Panel PC y pantallas de 15.6 y 21.5” para fábricas y salas blancas.

Cumpliendo los estándares de higiene de múltiples industrias, los modelos de la familia PhanTAM garantizan el rendimiento demandado en un diseño de acero inoxidable.


MCU de acondicionamiento de señales para entornos industriales

El MCU de acondicionamiento de señales BH66F5350, que integra convertidores ADC y DAC, soporta una amplia variedad de interfaces analógicas y digitales.


Sistema Edge inteligente para aplicaciones IIoT en entornos adversos.

El sistema Edge inteligente VIA AMOS-3007 ofrece una solución compacta y robusta que se pueden emplear en interiores y al aire libre.


MCU ARM Cortex-M0+ de dieciséis canales para sistemas de procesamiento de voz y música.

Los MCU ARM Cortex-M0+ de los modelos HT32F61244 y HT32F61245 son ideales en instrumentos electrónicos y diversos productos de efectos de sonido.


Módulo puente PCIe a SD “todo en uno” en formato M.2

Compacto, flexible y eficiente, este módulo PCIe a SD basado en la FPGA Artix-7 permite validar diferentes densidades de memoria de tarjetas micro-SD.


MCU con protección de baterías de litio

Los modelos HT45F8544, HT45F8554 y HT45F8566 de MCU con protección de baterías de litio son ideales en tarjetas BMS, herramientas eléctricas y aspiradoras sin cable.


Box PC EIRA-522 para sistemas de análisis de imagen médica con IA y ML

El modelo de Box PC EIRA-522 ayuda a los profesionales sanitarios a tomar las decisiones adecuadas en mucho menos tiempo.


Módulo transceptor LoRa con antena para proyectos IoT y aplicaciones inteligentes.

El módulo transceptor LoRa RYLR998, que aporta mejoras en alcance, eficiencia y seguridad, cumple los requisitos de rango de transmisión y tamaño.


Receptor ARINC 429 de ocho canales con interfaz SPI

El HI-35981, un receptor ARINC 429 que ofrece una versión mejorada de la familia HI-35980 (HI-3598), añade funcionalidad y flexibilidad en las tareas de gestión de datos.


Sistema embebido sin ventilador con opciones de expansión para entornos industriales.

El Box PC eBOX710A con procesador de undécima generación se dirige a múltiples aplicaciones AIoT.


Módulo transceptor LoRaWan con soporte de la red global Helium.

El RYLR993 de 868/915 MHz cumple los requisitos de rendimiento, eficiencia y seguridad de cada proyecto.


Puntos de prueba para PCB de montaje superficial ball & socket.

Hoy os traemos unos puntos de prueba para PCB del fabricante Oxley, empresa representada en España y Portugal por Anatronic, S.A., que anuncia la disponibilidad de la serie SMOX de puntos de prueba ball & socket de montaje superficial y que contribuyen a garantizar la precisión demandada en pruebas de ensamblaje de PCB.


Fuentes de alimentación de alta eficiencia para industria, ITE y casinos

Con un diseño exclusivo, los nuevos modelos de fuentes de alimentación generan menos calor residual, reduciendo el consumo de energía y la necesidad de refrigeración por aire forzado y aumentando la fiabilidad.


HMI con pantalla PCAP de 7 y 10” para sistemas de automatización industrial.

Los modelos ARMPAC-6B combinan elevadas prestaciones informáticas y gráficas y eficiencia.


Condensadores de supresión RFI de Clase X2 con resistencia de descarga

Los modelos de la serie KNB1580+R de condensadores de supresión RFI son ideales en dispositivos de audio y vídeo, cargadores, instrumentos de medida, herramientas eléctricas y electrodomésticos.


Single Board Computer de 3.5” con gran capacidad de expansión para aplicaciones IoT

El modelo CAPA322 de Single Board Computer, que se basa en procesadores Intel Elkhart Lake, combina alto rendimiento, bajo consumo y alta capacidad de expansión.


Conectores MMCX y ensamblajes de cable coaxial para radiofrecuencia.

Los conectores MMCX permiten crear conexiones seguras y fiables en una amplia variedad de aplicaciones.


Luces LED para vehículos militares

Aportan tecnología, rendimiento y un gran número de configuraciones y opciones para adecuarse a los estrictos estándares de calidad.


Memorias industriales DDR5 en versiones JEDEC 1.0

Los nuevos modelos de memorias industriales DDR5 aceleran la implementación en AIoT, servidores, centros de datos y HPC.


Holt IC obtiene el “Elite Supplier Status” de Lockheed Martin por tercer año consecutivo.

Este galardón reconoce la calidad de los transceivers y el cumplimiento de los plazos de entrega por parte Holt IC.


Sistema edge AI con la plataforma NVIDIA Jetson AGX Orin para máquinas autónomas.

Con un diseño sin ventilador, el sistema edge AI AIE900A-AGXO cumple los requisitos para aplicaciones robóticas de próxima generación.


Anatronic celebra su 40 aniversario y se certifica EN 9120 2018 ISO 9001 2015 & EN 9120 2018.

Anatronic es el primer distribuidor español de componentes electrónicos nacional en certificarse bajo el exigente estándar de calidad EN 9120 2018 para el sector de aviación, espacio y defensa.


Sensor de discreto a digital de 6 canales con aislamiento galvánico de 400 V

El sensor de discreto a digital HI-8427, que posee dos modos de sensado GND/Open, resulta ideal en sistemas de 5 y 28 V a bordo de aeronaves.


Nuevos productos de electrónica de potencia para el sector de la automoción.

Las novedades incluyen componentes magnéticos, 3DPower, transformadores DC/DC y antenas Tx/Rx de carga inalámbrica.


Serie AVS-52X de Box PC sin ventilador para aplicaciones de visión artificial

Los nuevos modelos de la serie AVS-52X con procesador Intel Core i7/i5/i3 de novena generación ofrecen diversas opciones de E/S para adecuarse a los requisitos de cada proyecto.


Nodo LoRa con diseño industrial IP30 para interiores

El LN1152 permite conectar todo tipo de sensores, contadores y dispositivos LoRaWAN.


Controlador Bluetooth 5.2 BLE con certificado BQB

El modelo BC7701 satisface las necesidades de una amplia variedad de productos BLE.


Monitores táctiles de 10.4 y 12.1” para el sector ferroviario

Con los certificados EN 50155 y EN 45545, los modelos P710 y P712 ofrecen una experiencia de usuario óptima bajo condiciones ambientales adversas.


Módulo MCU multiprotocolo (WiFi + Bluetooth 5.0 + Zigbee)

El WC640, que combina rendimiento, eficiencia e integración, satisface las necesidades de aplicaciones IoT/IIoT y M2M, entre otras muchas.


Módulo GNSS Mini PCIe de alto rendimiento.

El modelo RYP820N aporta precisión, eficiencia y facilidad de integración a un gran número de aplicaciones.


Material magnetocalórico para refrigeración magnética.

Hoy os traemos un nuevo material magnetocalórico, el CALORIVAC®, desarrollado por el fabricante VACUUMSCHMELZE GmbH & Co, KG (VAC), la cual sigue desarrollando materiales respetuosos con el medio ambiente para soluciones de refrigeración magnetocalórica,


Microconectores con mecanismo de bloqueo para ensamblajes de cable coaxial SMA IP67/IP68/IP69K.

Hoy os presentamos unos nuevos conectores del fabricante GradConn, empresa representada en España y Portugal por Anatronic, S.A.


MCU 32 bits Arm Cortex-M0+ para el control de motores DC sin escobillas.

Hoy os traemos un nuevo microcontrolador del fabricante Holtek, empresa representada en España y Portugal por Anatronic, S.A.


Punto de acceso Wifi 6 WDAP-C1800AX.

Hoy os traemos un nuevo punto de acceso wifi 6 del fabricante Planet Technology, empresa representada en España y Portugal por Anatronic, S.A.


Luces anticolisión para aeronaves civiles y militares.

Hoy os presentamos unas nuevas luces anticolisión para aeronaves civiles y militares del fabricante Oxley, empresa representada en España y Portugal por Anatronic, S.A.


Zumbadores multifrecuencia programables para múltiples aplicaciones.

Las señales acústicas forman parte de nuestro día a día. Cualquier entorno demanda funciones cada vez más sofisticadas y específicas.


Sensores de corriente de lazo abierto para vehículos híbridos y eléctricos.

Hoy os presentamos una nueva línea de sensores de corriente del fabricante VACUUMSCHMELZE GmbH & Co, KG (VAC), empresa representada en España y Portugal por Anatronic, S.A.


RYB0940 Módulo multiprotocolo Bluetooth 5, Thread y Zigbee con antena integrada.

Hoy os presentamos un nuevo módulo del fabricante Reyax, empresa representada en España y Portugal por Anatronic, S.A. Se trata del modelo RYB0940, un módulo multiprotocolo Bluetooth 5, Thread y Zigbee de 2,4 GHz con antena integrada en una solución compacta y ligera (peso de 1 gramo).


Módulo LCD gráfico COG 128×64 en formato DIP

Hoy os presentamos un nuevo módulo display de Bolymin, Inc., empresa representada en España y Portugal por Anatronic, S.A.


Transformadores PLC en formato SMD para módems HPGP

Hoy os traemos nuevos modelos de transformadores PLC en formato SMD para módems HPGP (HomePlug Green PHY™) y otras aplicaciones del fabricante PREMO, empresa representada en España y Portugal por Anatronic, S.A. Se trata de unos transformadores de la serie PLC-LW de montaje superficial (SMD) de 15 µH.


Gateway 5G NR y WiFi 6 para entornos industriales

Presentamos un nuevo gateway 5G NR y WiFi 6 para entornos industriales, se trata del modelo CG-2515W-NR de Planet Technology, empresa representada en España y Portugal por Anatronic, S.A.


Terminales aislados de PTFE para chasis en aplicaciones de misión crítica.

Hoy os traemos unos nuevos terminales de Oxley, empresa representada en España y Portugal por Anatronic, S.A., que anuncia la disponibilidad de nuevos terminales aislados de PTFE con tecnología Barb Cone Lock® para chasis en aplicaciones de misión crítica.


Cold plates personalizados para refrigeración líquida en proyectos de potencia.

Los Liquid Cold Plates garantizan la eficacia del sistema de refrigeración líquida.


Analizador de Calidad Eléctrica iMC784 para servicios públicos y entornos industriales.

Hoy os presentamos un nuevo Analizador de Calidad Eléctrica de Iskra, empresa representada en España y Portugal por Anatronic, S.A.


Routers VR-300F con seguridad VPN y fibra óptica.

Hoy os presentamos los nuevos Routers VR-300F y VR-300FP con seguridad VPN y fibra óptica de Planet Technology, empresa representada en España y Portugal por Anatronic, S.A.


Condensadores coaxiales de rosca en miniatura para filtros EMC.

Hoy os traemos unos condensadores coaxiales de rosca en miniatura para filtros EMC, destinados a paneles con alta densidad y conectores filtrados. Se trata de la gama TH1 del fabricante Oxley, empresa representada en España y Portugal por Anatronic, S.A.


Sistema anticolisión VIA Mobile360 para carretillas elevadoras y montacargas

Los accidentes de las carretillas elevadoras son una de las principales causas de lesiones y muertes en entornos industriales en todo el mundo, particularmente en los sectores de la manufactura, la logística y la construcción.


MCU Flash para aplicaciones de detección de proximidad.

Hoy os presentamos unos nuevos microcontroladores MCU Flash para aplicaciones de detección de proximidad, del fabricante Holtek, empresa representada en España y Portugal por Anatronic, S.A.


Anatronic, distribuidor oficial de iWave Systems para España y Portugal

El nuevo partnership entre Anatronic e iWave Systems nos permite ampliar nuestro catálogo de productos SoM y SBC basados en tecnologías ARM para diferentes aplicaciones y mercados profesionales como son industria, defensa, sanidad o automoción.


Módulo display LCD COB 122×32

Hoy anunciamos un nuevo módulo display LCD COB 122×32 de Bolymin, Inc., empresa representada en España y Portugal por Anatronic, S.A. Se trata del modelo BG12232E1, que se presenta en un módulo DIP con un conector de 16 pines.


Tablet rugerizada U11I de 11.6” con teclado desmontable.

Hoy os presentamos la nueva tablet rugerizada U11I de 11.6” con teclado desmontable “dos en uno” de Durabook, empresa representada en España y Portugal por Anatronic, S.A., que posee un diseño robusto para adecuarse a las necesidades de múltiples sectores.


NMS-360V Controlador de gestión de energía renovable.

El controlador de gestión de energía renovable NMS-360V de PLANET Technology Corporation, empresa representada en España y Portugal por Anatronic, S.A., obtiene el premio “2021 Best Choice Award”.


Condensadores DC Link para vehículos eléctricos y e-mobility.

Hoy os presentamos unos nuevos condensadores DC Link para vehículos eléctricos.


Lockheed Martin reconoce el rendimiento extraordinario de los productos de Holt Integrated Circuits.

Holt Integrated Circuits, empresa representada en España y Portugal por Anatronic, S.A., anuncia que Lockheed Martin Corporation, uno de los mayores contratistas de proyectos militares, le ha otorgado el “Elite Supplier Status” por segunda vez, reconociendo así el rendimiento extraordinario de los productos de Holt Integrated Circuits.


Sistema de visión artificial AVS-600 para machine vision.

Hoy os presentamos el sistema de visión artificial AVS-600 para machine vision, se trata del nuevo sistema de visión artificial del fabricante APLEX Technology Inc., compañía representada en España y Portugal por Anatronic, S.A., que combina rendimiento, interfaces E/S y opciones de expansión para proporcionar escalabilidad y versatilidad a un gran número de aplicaciones.


Aleación de samario-cobalto (SmCo) para el sector del automóvil.

Hoy os presentamos una aleación de samario-cobalto (SmCo) para el sector del automóvil del fabricante VACUUMSCHMELZE GmbH & Co, KG (VAC), empresa representada en España y Portugal por Anatronic, S.A. El sector de la automoción se enfrenta al desafío de reducir las emisiones de CO2 de los vehículos con motores de combustión y eléctricos híbridos.


Módulo Wifi y Bluetooth 4.2 LE con conector IPEX MHF4.

Hoy presentamos un módulo Wifi y Bluetooth 4.2 LE con conector IPEX MHF4. Se trata del modelo WM828CC6, del fabricante Wi2Wi, empresa representada en España y Portugal por Anatronic, S.A.


Antenas emisoras magnéticas para aplicaciones de entrada pasiva sin llave (PKE) en automoción.

Hoy os traemos unas antenas emisoras magnéticas para aplicaciones de entrada pasiva sin llave (PKE) del fabricante PREMO, empresa representada en España y Portugal por Anatronic, S.A.


Router industrial inteligente carril DIN para proyectos IIoT.

Hoy os presentamos el nuevo Router industrial inteligente carril DIN, modelo iNA600 de Axiomtek, empresa representada en España y Portugal por Anatronic, S.A., que integra un switch gestionado L2 de dieciséis puertos y que aporta mejoras en seguridad y comunicación.


Leds de alto rendimiento de dos y tres segmentos para paneles en aplicaciones industriales y militares.

Hoy os presentamos unos leds de alto rendimiento de dos y tres segmentos para paneles en aplicaciones industriales y militares, del fabricante Oxley, empresa representada en España y Portugal por Anatronic, S.A.


Tarjetas Mini PCIe para NB-IoT con interfaz USB 2.0

Hoy os presentamos unas tarjetas Mini PCIe para NB-IoT con interfaz USB 2.0, del fabricante Reyax, empresa representada en España y Portugal por Anatronic, S.A. Se trata de los modelos de la serie RYN2000, dedicadas para aplicaciones de IoT basadas en NB-IoT.


Fuentes de alimentación de 40 y 65 W para dispositivos médicos.

Hoy os presentamos unas nuevas fuentes de alimentación de 40 y 65 W para dispositivos médicos del fabricante N2Power, división de Qualstar Corporation y empresa representada en España y Portugal por Anatronic, S.A. Se trata de las series ML40 y ML65, fuentes de alimentación de grado médico que poseen los certificados UL/EN 60601 y cumplen el estándar 2xMOPP.


Ordenador portátil semi robusto de alto rendimiento de 14″

Hoy os presentamos el nuevo ordenador portátil semi robusto de alto rendimiento de 14 pulgadas del fabricante Durabook, empresa representada en España y Portugal por Anatronic, S.A., se trata del modelo S14I. Este ordenador portátil semi robusto S14I es el laptop más robusto de su clase.


Switch industrial compacto IGS-504PT con cuatro puertos PoE Plus para entornos adversos.

Hoy os presentamos el nuevo switch industrial compacto IGS-504PT con cuatro puertos PoE Plus de Planet Technology, empresa representada en España y Portugal por Anatronic, S.A., diseñado para trabajar en entornos adversos.


Ordenador industrial eBOX626-311-FL sin ventilador para centros de producción inteligentes.

Hoy os presentamos el ordenador industrial eBOX626-311-FL sin ventilador especialmente diseñado para centros de producción inteligentes.


Microcontrolador Wifi 6 y Bluetooth 5 (LE) con núcleo RISC-V de 32 bits para aplicaciones IoT seguras.

Hoy os presentamos el nuevo Microcontrolador Wifi 6 y Bluetooth 5 (LE) para aplicaciones IoT seguras. Se trata del ESP32-C6, que satisface la necesidad de seguridad de los dispositivos conectados en múltiples entornos y sectores.


Solución de monitorización y gestión remotas para loT.

Hoy os traemos la nueva solución de monitorización y gestión remotas para loT. RENITY SENTINEL 2 combina hardware y software para garantizar rendimiento y seguridad en múltiples entornos.


Microcontrolador de 24 bits con sensor de temperatura A/D ATS

Hoy os traemos el nuevo microcontrolador de 24 bits con sensor de temperatura A/D ATS. Se trata del nuevo modelo el BH66F2742 que se puede usar en una gran variedad de termómetros.


Placa madre ATX con procesador Intel para entornos industriales.

Hoy os traemos la nueva placa madre ATX con procesador Intel para entornos industriales. Se trata del nuevo modelo EAX-W480P que satisface las necesidades de sistemas de automatización, máquinas de embalaje de medicamentos y otras muchas aplicaciones embebidas.


IP Core HI-6300 para aplicaciones aviónica militar y comercial.

Hoy os traemos el nuevo IP Core HI-6300 para aplicaciones aviónica militar y comercial, que es certificable por el MIL-STD-1553 DO-254.


Ordenador modular sin ventilador para aplicaciones ferroviarias.

Hoy os traemos el nuevo ordenador modular sin ventilador para aplicaciones ferroviarias. Se trata del tBOX510-518-FL, que posee el certificado EN 50155, resulta ideal en tareas de transmisión en sistemas de datos en control de tren (CBTC) y señalización de las vías.


Módulo WiFi con soporte para TCP/IP y microcontroladores.

Hoy os traemos el módulo WiFi con soporte para TCP/IP y microcontroladores. Se trata del WizFi360 está especialmente indicado en aplicaciones IoT y dispositivos móviles y wearables.


Sistema embebido robusto y compacto para coches de próxima generación.

Hoy os traemos el nuevo sistema embebido robusto y compacto para coches de próxima generación. Se trata del VIA Mobile360 900, que incorpora un módulo embebido NVIDIA Jetson TX2 y nueve conectores FAKRA, ayuda a reducir los costes de desarrollo y validación.


Microcontroladores con gestión de baterías de Litio.

Hoy os presentamos los nuevos microcontroladores con gestión de baterías de Litio. Se trata de los modelos BP45F1430 y BP45F1632 que resultan ideales en batidoras de mano, aspiradores y otros pequeños electrodomésticos.


Solución de mantenimiento predictivo para proyectos industriales.

Hoy os presentamos el nuevo sistema de mantenimiento predictivo para procesos industriales. Se trata del RENITY ARGUS, que proporciona información en tiempo real, combina funciones de análisis de vibración e inspección automática para minimizar el tiempo de inactividad de máquinas y sistemas.


Microcontrolador con Wi-Fi y BLE 5.0 para aplicaciones IoT.

Hoy os presentamos el nuevo microcontrolador con Wi-Fi y BLE 5 para aplicaciones IoT. Se trata del ESP32-C3 que satisface las necesidades de los dispositivos conectados en múltiples entornos y sectores.


PC de tamaño reducido sin ventilador con diseño robusto.

Hoy os presentamos el nuevo PC de tamaño reducido sin ventilador con diseño robusto. Se trata del TiTAN-300, que posee un modo USB Tipo-C ALT. ahorra espacio y ofrece resistencia a los impactos en entornos adversos.


Displays LCD VATN táctiles con un ratio de contraste de 1000:1

Hoy os presentamos los nuevos displays LCD VATN táctiles con un ratio de contraste de 1000:1. Estos nuevos displays LCD VATN no poseen la necesidad de usar un panel táctil adicional, ofrecen una ratio de contraste de 1000:1 y un mayor ángulo de visión que otras alternativas en múltiples aplicaciones.


Placa base Mini ITX Intel Coffee Lake para aplicaciones industriales.

Hoy os presentamos la nueva placa base Mini ITX Intel Coffee Lake para aplicaciones industriales. Se trata del modelo MANO521 que resulta ideal para automatización industrial, transporte, kioscos, dispositivos médicos portátiles y cartelería digital.


Conversor de medios Modbus a fibra óptica para entornos industriales.

Hoy os presentamos la nueva serie IMG-210xT, que se trata de una nueva serie sobre el conversor de medios Modbus. Esta serie ofrece un puente de conversión entre los protocolos Modbus TCP/IP y RTU/ASCII.


Condensadores de descarga por pulsos con gran capacidad de almacenamiento.

Hoy os presentamos los nuevos condensadores de descarga por pulsos para almacenamiento de grandes cantidades de energía disponibles en diversas versiones estándares y personalizadas, que cumplen los requisitos de aplicaciones sanitarias, industriales y militares.


Capuchas protectoras para conectores y ensamblajes coaxiales IP67.

Hoy os presentamos las capuchas protectoras para conectores y ensamblajes coaxiales IP67, son accesorios que añaden protección contra la acumulación de humedad, polvo y suciedad, son ideales en conexiones que permanecen “desconectadas” durante largos periodos de tiempo.


Transformador de señal para PLC con aislamiento SMD.

Hoy os presentamos la nueva serie PLC-LW, que se trata de una nueva serie de transformador de señal para PLC con aislamiento SMD, que cumplen con las normativas IEC 15118 e IEC 61851-1 para sistemas V2G y V2V.


Módulo RFID y NFC de 13,56 MHz para aplicaciones de proximidad.

Hoy os presentamos el nuevo módulo RFID y NFC de 13,56 MHz para aplicaciones de proximidad, RYRR20I que resulta ideal para un gran número de aplicaciones de identificación de proximidad, como por ejemplo control de accesos, identificación digital, control horario, etc.


Microcontrolador con Wifi y memoria flash SPI de 4 MB.

Hoy os presentamos la nueva serie ESP32-S2-MINI de Espressif, se trata de una nueva serie de microcontrolador con wifi y memoria flash SPI de 4 MB que satisfacen las necesidades de IoT, vestibles y domótica.


HMI con pantalla de 7 a 21.5” para proyectos IoT

Hoy os presentamos el HMI con pantalla de 7 a 21.5” para proyectos IoT disponibles en diversas versiones. Los nuevos modelos de la serie ARMPAC-6xx ofrecen diseños sin ventilador que cuentan con procesadores Freescale i.MX6 Dual Lite ARM Cortex A9 y memoria de sistema de 1GB.


Sistema embebido ARM compacto sin ventilador para carril DIN.

El Agent200-FL-DC está optimizado para aplicaciones de control remoto y monitorización.


Punto de acceso inalámbrico de banda dual para montaje en techo.

El WDAP-C7210E con tecnología IEEE 802.11ac Wave 2 MU-MIMO 2T2R ofrece velocidades máximas de 867 Mbps a 5 GHz y 300 Mbps a 2,4 GHz.


Panel PC táctiles de 10 y 15” para espacios públicos y factorías.

Con un diseño modular open-frame sin ventilador, los modelos ARC-10W33 y ARC-15W33 se adaptan a las necesidades de múltiples aplicaciones.


Transceptor dual MIL-STD-1553 de 3.3 V con transformadores.

El HI-25850 contribuye a aumentar la flexibilidad al interconectar una amplia variedad de FPGA.


Sensor de visión para proyectos IA y ML en centros educativos.

Compatible con Arduino, Raspberry Pi y micro:bit, VIA PIxetto se compone de modelos de reconocimiento preintegrados, bloques de código y una plataforma Accelerated Machine Learning online.


Oscilador TXCO de 32,768 kHz con X-Tal y CMOS

El TM-2220-C7 está especialmente indicado en sistemas de sincronización de dispositivos operados por batería en IoT, sanidad, metering y automoción y wearables.


Módulo de antena GNSS con interfaz UART/I2C de 1,8 V

El REYAX RYS8830, que mide 11 x 11 x 2,2 mm, ofrece elevada sensibilidad en uno de los formatos SMD más diminutos del mercado.


Sensor de corriente de 75 A para inversores fotovoltaicos.

Con un formato de 13,7 x 22, 2 mm, responde a la demanda de componentes compactos para corrientes nominales elevadas.


PC panel para el sector sanitario.

Los modelos HID-2232 (22”) e HID-2432 (24”) cumplen los requisitos de diagnóstico médico por imagen, mientras que el HID-2334 (23.8”) posee una batería reemplazable sin parar la carga.


MCU USB de 5 V para control de tiras LED RGB

Los modelos de la serie HT32F50343 se dirigen a productos de PC, periféricos de deportes electrónicos y cualquier aplicación que requiera efectos de iluminación.


Memoria de servidor antisulfuración DDR4.

Ofrece la máxima protección en centros de datos, edge computing y equipos de red.


SoC, módulos y tarjetas de desarrollo para el mercado IoT

Ayudan a mejorar el cifrado del chip y aumentar la capacidad de almacenamiento eFuse para garantizar soluciones de conexión más rápidas y seguras.


Panel PC con pantalla multitoque de 21.5” para entornos sanitarios.

Con un diseño delgado, el HID-2132 se beneficia de las prestaciones de un microprocesador Intel® Core™ i3, i5 o i7 de sexta generación.


Analizador de ruido de fase para la caracterización de osciladores de precisión

El 53100A combina tecnologías de sincronización en un instrumento de medida de alto rendimiento y pequeño formato.


Reloj de tiempo real con un consumo de 45 nA

El RV-3028-C7 cumple los requisitos de dispositivos wearables, equipos sanitarios y aplicaciones IoT de elevada eficiencia.


Transceptor RF de 2,4 GHz para productos IoT

El BC5602 se pueden emplear en controladores de casas inteligentes y entornos industriales y agrícolas.


Encapsulados herméticos para componentes electrónicos sensibles.

Cumplen los requisitos de fiabilidad y eficiencia en proyectos militares, aeronáuticos y espaciales.


Pantalla de tinta electrónica para comunicación con el paciente

La EPD-42T, que está respaldada por la tecnología de tinta electrónica E Ink, proporciona información en tiempo real.


Sistema embebido sin ventilador con procesador Intel® Coffee Lake

El EPS-CFS resulta ideal en aplicaciones de automatización, visión artificial y entornos adversos.


Extensor para aplicaciones PoE punto a multipunto en entornos industriales

El IPOE-E302 respalda la ampliación de la infraestructura de red actual sin necesidad de más cables, componentes o adaptadores externos.


Material magnetocalórico para aplicaciones de refrigeración ecológica

El CALORIVAC® permite ofrecer una alternativa eficiente y sostenible a los compresores convencionales.


Conectores para cable coaxial a 6 GHz.

Junto a los modelos de 3 GHz, resultan ideales en las nuevas aplicaciones IoT y 5G.


Condensadores de polipropileno metalizado para vehículos eléctricos.

Las series R41T y R76H ofrecen una solución de elevada densidad de potencia para el sector del automóvil y entornos adversos.


Switch Ethernet PoE gestionado L3 para entornos profesionales .

El IGS-6325-8UP2S2X posee ocho puertos 10/100/1000T 802.3bt PoE++, dos puertos 100/1000X SFP y dos puertos 10G SFP+.


Sensores electromagnéticos 3D totalmente isotrópicos

Los modelos de la serie 3DC14EMR-ULP, que se pueden integrar en teléfonos móviles, llaveros key fobs y wearables, satisfacen las necesidades de sistemas de entrada pasiva (PKE) al vehículo y localización en tiempo real (RTLS), experiencias virtuales y realidad aumentada.


Transductores piezoeléctricos sin oscilador

Las unidades de la serie SMAT producen una señal de tono muy fiable que cumple los requisitos de un gran número de aplicaciones.


Transformador de corriente de 100 A

El nuevo modelo, que combina precisión y estabilidad, cumple los requisitos de líneas de producción industriales, granjas de servidores y subestaciones eléctricas.


Switches gestionados Gigabit de veinte puertos.

Las series LMP-2004G-SFP y LMX-2004G-SFP superan los requisitos de aplicaciones de red en entornos adversos y exteriores.


Relés Reed de elevada potencia y pequeño tamaño.

Los modelos Mini-Sip de la serie 14 se dirigen a instrumentación, equipos de test automáticos y matrices de conmutación de alta densidad.


Condensadores cerámicos SMD certificados para aplicaciones conectadas a la red eléctrica.

Con un pequeño formato, los modelos de la serie CAS ahorran espacio y aumentan la eficiencia en sistemas de filtrado de línea AC.


Switch gestionado con LCD a color y función de inyector PoE++

El GS-6320-24UP2T2XV posee veinticuatro puertos 10/100/1000T 802.3bt PoE++, dos puertos 10GBASE-T y dos puertos 10G SFP+.


Display LCD con formato 20x04 y marco metálico

El modelo BC2004H está especialmente indicado en dispositivos electrónicos y multimedia.


Ordenador industrial PoE para aplicaciones de seguridad, inspección óptica y edge computing.

El eBOX671-517-FL ofrece elevadas prestaciones en un diseño robusto.


Antena mushroom LoRa IP67/NEMA6 para exteriores.

El modelo OE-LR-02-02-F5, que opera en la banda de frecuencia de 698 a 960 MHz, posee un latiguillo SMA de 1.5 dBi.


Núcleos nanocristalinos para supresión de modo común en aplicaciones de electromovilidad.

Con el certificado AEC Q200, cumplen los requisitos del sistema de alimentación de vehículos híbridos y eléctricos.


Sensores de proximidad de acero.

Los modelos de la serie SRA resultan ideales en la detección de metales ferrosos en entornos adversos.


Condensadores para semiconductores de banda prohibida y conmutación rápida (WBG).

Los modelos KC-LINK™ con tamaño EIA 3640 permiten lograr mayores niveles de eficiencia y densidad de potencia en múltiples aplicaciones.


Conversor de medio Gigabit para entornos industriales.

El PLANET IGUP-805AT combina conversión Ethernet con una función de inyector PoE++.


Monitores de 7 a 23.8” para sistemas de monitorización industrial.

Los modelos de la serie ARCDIS respaldan la transición a aplicaciones IIoT.


Buzzers multiaplicación Sonitron con cubierta octogonal.

Sonitron, empresa representada en España y Portugal por Anatronic, S.A., anuncia la disponibilidad de nuevos buzzers multiaplicación con cubierta octogonal.


Sistema anticolisión de vehículos para el sector minero y entornos peligrosos.

El VIA Mobile360 Mining Kit reduce el riesgo de accidentes al incorporar funciones de conocimiento situacional de 360 grados y ADAS.


Switches Ethernet no gestionados PoE+/4PPoE para entornos industriales.

Los modelos de la serie LNP-0800-60-24 aportan flexibilidad al añadir dispositivos inteligentes a la red.


Condensadores de película de polipropileno metalizada.

Con protección de fusible y aprobación UL 810, las series 951C y 953B están especialmente indicadas en SAI, fuentes de alimentación AC y aplicaciones de filtrado AC.


PC industrial sin ventilador para aplicaciones 24/7

El BE583A está especialmente indicado en sistemas de visión, proceso de imagen, transporte, infraestructuras, automatización y seguridad.


Imanes permanentes de tierras raras.

La familia VACODYM 80X TP ofrece mejoras magnéticas a un gran número de aplicaciones en automoción, proyectos aeroespaciales e ingeniería.


Switch Ethernet con dieciséis puertos 10/100TX y dos interfaces combo Gigabit TP/SFP.

El IFGS-1822TF, que posee un sistema de alimentación redundante y opera en el rango de -40 a +75 °C, se dirige a entornos industriales adversos.


Inductores SMD de metal compuesto para aplicaciones de alta densidad de potencia.

Los modelos de la serie METCOM respaldan el desarrollo de fuentes de alimentación conmutadas DC a DC y soluciones de filtrado EMI más eficientes.


Altavoces y amplificadores piezocerámicos para entornos adversos.

Los modelos de la serie SCS ofrecen hasta un 60 por ciento más de potencia de salida que alternativas electrodinámicas.


Condensadores de polímero de tántalo para automoción y supercomputación.

Combinando amplio rango de temperatura, mayor vida útil, ESR de un solo dígito, CV y eficiencia volumétrica, los nuevos dispositivos T598 ofrecen la solución ideal en ADAS, vehículos autónomos y digitalización.


Conversor de medio de cobre 10G a fibra SFP+ 10G

El FCU-6001-SFP+ permite ampliar las distancias a servidores, switches y paneles de parcheo en la infraestructura de red.


Bobinas inteligentes con mayor atenuación a frecuencias altas.

Con barras de cobre moldeadas en el núcleo, ofrecen una solución eficiente y asequible para automoción y numerosas aplicaciones industriales.


Conectores coaxiales IP68 para montaje en PCB vertical.

Ayudan a simplificar el diseño en aplicaciones con presencia de polvo y agua.


Condensadores radiales de película de polímero multicapa para entornos adversos.

Con una temperatura operativa de hasta +125 °C, los modelos de Tipo RA cubren una amplia gama de aplicaciones de electrónica de potencia y proyectos militares y aeroespaciales.


Módulo OLED de 96 x 64 puntos para relojes inteligentes y otros muchos wearables.

El BL9664B de 0.95” ofrece elevadas prestaciones y bajo consumo para cumplir los requisitos de productos de elevada eficiencia.


Alarmas de panel de 22 mm con luces LED y opciones multitono.

También ofrecen control independiente de sonido e iluminación para aumentar la seguridad y la eficiencia, ahorrar espacio y reducir los costes.


MCU A/D Delta Sigma de 24 bits para medición de peso, tensión y temperatura.

El BH67F5270 resulta ideal en básculas electrónicas, tensiómetros, glucómetros, presostatos y otros muchos productos.


PC industrial quad-core sin ventilador con diseño ultradelgado

El eBOX625-312-FL está especialmente indicado en aplicaciones de IIoT, equipos de retail y automatización de factorías.


Kits de desarrollo y software API para productos MIL-STD-1553

Con un diseño compacto, el ADK-62003 y el ADK-62023 ahorran espacio y dinero y, al mismo tiempo, ofrecen compatibilidad con el software existente.


Módulos de condensadores de enlace DC para sistemas inversores de elevada potencia.

Las unidades de la serie MDL ofrecen avances tecnológicos para aumentar la fiabilidad y la vida operativa.


Switch para redes Metro Ethernet con 4 SFP+ 10Gb BASE-SR/LR.

El PLANET MGSW-28240F ayuda a simplificar las tareas de actualización de LAN empresarial y hacer frente a la demanda de aumento de ancho de banda en la conexión de backbone.


Disipadores de calor y placas de enfriamiento mediante líquido.

Disipadores de calor y placas de enfriamiento mediante líquido diseñados para cumplir los requisitos más existentes en prácticamente cualquier entorno.


Plataforma con módulo LPWA Cinterion y módem LTE IoT de Qualcomm.

Se caracteriza por su bajo consumo, la actualización de firmware (FOTA), su eSIM y el aprovisionamiento remoto, su seguridad y su device-to-cloud onboarding automatizado.


Phablet Android con diseño robusto para entornos industriales.

El Nautiz X6 combina lo mejor de una tableta convencional y un terminal rugerizado en un dispositivo esbelto y elegante. Además, posee una pantalla táctil de 6” de alto brillo (sunlight-readable) con protección Gorilla Glass.


Módulo RTC universal para dispositivos wearables e IoT.

El RV-8263-C7 combina precisión y eficiencia en un encapsulado SMD cerámico miniatura (3,5 x 1,5 x 0,8 mm).


Ordenador en formato tarjeta COM Express Tipo 10 y tarjeta Carrier Mini ITX.

Con pequeño tamaño, buena selección de puertos y facilidades de E/S. los modelos ESM-APLM y EEV-EX15 resultan ideales en dispositivos portátiles para entornos industriales, sanidad, transporte y controladores en exteriores.


Switch Gigabit Ethernet PoE+ IP67 de ocho puertos para redes industriales.

El modelo LNP-0800G-M12-67-24 Layer 2 no gestionado e impermeable resulta ideal en entornos adversos.


Panel PC táctiles y multifuncionales de 10 y 15” para múltiples aplicaciones.

Integrando funciones de interfaz de sistema, transmisión, almacenamiento y comunicación, los modelos de la serie VNS ofrecen versatilidad como displays multimedia interactivos en prácticamente cualquier lugar.


Ensamblajes con nuevas opciones de conector de cable coaxial

Ofrece la solución más adecuada para cumplir los requisitos específicos de cada aplicación.


Antenas emisoras para acceso PKE y RFID-LF y aplicaciones RTLS.

La serie LFAD (Diabolo-Shape), que ofrece una reducción de longitud de entre el 40 y el 50 por ciento, se distingue por su robustez mecánica, su estabilidad térmica y su asequibilidad.


Módulo NB con eSIM integrada.

El módulo inalámbrico ofrece seguridad IoT multicapa de extremo a extremo.


Relés Reed para test de cableado de vehículos.

Los modelos GC2717 son ideales en aplicaciones con tensiones de conmutación de hasta 500 VAC / VDC y fuerza dieléctrica (BV) de hasta 1300 VDC.


Sensor electromagnético 3D de bajo perfil (1,65 mm).

El 3DC14EM-ULP se puede integrar en llaveros, Smartphones y otros dispositivos en donde existan restricciones de espacio.


Android box para inteligencia artificial con procesador Qualcomm® Snapdragon™ 820E.

El VIA ALTA DS 3 Edge AI acelera el desarrollo y el despliegue de dispositivos inteligentes en aplicaciones que mejoran el servicio al cliente.


Componentes electrónicos para protección DUAL (filtrado EMI y supresión) en motores eléctricos DC.

Los modelos de la serie C3V están especialmente indicados en aplicaciones de filtrado de banda ancha de interferencias electromagnéticas (EMI) y supresión de picos de tensión.


Buzzers para piezo alarmas y sirenas en entornos adversos.

Con forma octogonal redondeada, los modelos de la serie SMAC-25 generan una señal acústica de advertencia en situaciones críticas.


Condensadores cerámicos multicapa (MLCC) BME Clase I y II para proyectos militares y aeroespaciales.

Modelos cerámicos con una capacidad 55 veces superior a los de dispositivos con especificaciones tradicionales PME.


Conversores de medio Ethernet – Fibra óptica para redes industriales.

Los modelos de la serie IMC-C100-XX ofrecen elevado rendimiento en aplicaciones con restricciones de espacio.


Kit de desarrollo ARINC 429 de veinticuatro canales

Ofrece un diseño de referencia para aplicaciones multicanal como concentradores de datos.


Módulo para pantallas de información y sistemas de venta de entradas automatizados.

El VIA SOM-6X80 aporta mejoras en diseño, desarrollo y despliegue a retail, transporte y entornos IoT industriales (IIoT).


LDO de baja corriente quiescente y elevada PSRR

Los modelos de la serie HT73Lxx se pueden usar en wearables, dispositivos portátiles y equipos de alimentación inalámbricos.


Placa base Micro ATX industrial para procesadores Intel® Core™ de séptima generación-

Las unidades de la familia ERX-C236KP ofrecen una solución de elevado rendimiento y larga duración para retail, automatización de factorías y cartelería digital.


Fuentes de alimentación para equipos tecnológicos (ITE) y médicos.

Los modelos XLM240, XLM500 y XL270 resultan ideales en muy diversos entornos y aplicaciones.


Condensadores electrolíticos de polímero para el sector del automóvil.

Con una temperatura operativa de hasta +150 °C, los modelos T599 KO-CAP cumplen lo establecido en AEC-Q200 y otros muchos estándares.


Switch Gigabit Ethernet industrial 802.3at PoE+ gestionable, de 28 puertos y rackeable.

El LNP-2804GN-SFP-T resulta ideal en numerosas aplicaciones industriales.


Varistores tubulares con superficie activa de 600 cm²

Las unidades Tube ZnO VARISTOR soportan una corriente de descarga de rayo (Iimp) de hasta 50 kA y una corriente máxima de descarga (Imax) de hasta 200 kA, resultando perfectas para sistemas de misión crítica en múltiples entornos.


Relés Reed para control heavy duty y circuitos de seguridad.

Los modelos de la serie GC1500 resultan ideales en aplicaciones de elevada potencia.


Condensadores cerámicos multicapa de 250 V X7R

Los nuevos modelos, que ofrecen una capacidad de hasta 0.47 µF en cubiertas 0603, están especialmente indicados en el sector del automóvil: iluminación, carga eléctrica y supresión de EMI.


Conversores de medio de cobre a fibra óptica

Los modelos de la serie EL1142 satisfacen las necesidades de proyectos de misión crítica, como sistemas de automatización en subestaciones eléctricas y aplicaciones ferroviarias.


Material nanocristalino para componentes de próxima generación.

Ideal en núcleos, choques de modo común y transformadores de potencia empleados en automoción y otros muchos sectores.


Sirenas indicadoras para el control de movimiento de vehículos.

Las unidades de la serie SVC están especialmente indicadas en entornos industriales, agrícolas y mineros.


Condensadores electrolíticos de aluminio para montaje superficial con elevada resistencia a la vibración (30g).

Las unidades de la serie AFK_V ofrecen alto rendimiento y durabilidad en vehículos y aeronaves militares, automatización de factorías, robótica y automoción, entre otras muchas aplicaciones.


Panel PC, pantallas y Box PC con certificado ATEX para atmósferas explosivas.

Los modelos de la serie AEx cumplen los estrictos requisitos en instalaciones petroquímicas, minería y excavaciones.


Display OLED gráfico de 128 x 128 puntos para dispositivos portátiles e instrumentos industriales.

El BL128128C3 combina elevadas prestaciones, bajo consumo y pequeño formato para cumplir los requisitos de muy diversas aplicaciones.


Box PC 4K UHD para cartelería y kioscos.

Los modelos de la serie QDSP-3000 están especialmente indicados en aplicaciones de info- entretenimiento, como cartelería digital y kioscos con diversos periféricos.


Módulo RTC para wearables e IoT

El RV-3028-C7, que sólo requiere 40nA, resulta ideal en wearables, dispositivos médicos y aplicaciones IoT de elevada eficiencia.


PDA ultra rugerizada de 5” con Android 7

La Nautiz X9 se dirige a profesionales móviles y entornos industriales.


Displays LCD de alto brillo (sunlight readable) para aplicaciones industriales.

Con tamaños disponibles de 8.4 a 42”, se pueden utilizar en kioscos, maquinaria, sistemas de confirmación de pedidos y múltiples sistemas en ambientes de elevada luminosidad.


Relés Reed overmolded de montaje superficial

Los modelos de la serie RI-80SMDM resultan ideales en electrónica portátil, sensores de proximidad y entornos sanitarios.


Circuitos integrados de transmisión y recepción de datos ARINC 429 de alta densidad.

Con un diminuto formato de 10 x 10 mm², los cinco nuevos dispositivos de la familia HI-3220 son capaces de administrar, almacenar y enviar datos en aplicaciones multicanal de aviónica.


HMI con procesador ARM de hasta 21” para automatización industrial.

Las unidades ARMPAC-5 y ARMPAC-6 ayudan a aumentar la compatibilidad, la estabilidad y la eficiencia en proyectos de larga duración.


Display LCM de 128 x 32 puntos con alimentación de +5 V

El BG12832C está especialmente indicado en instrumentos de medición, equipos industriales, electrodomésticos y electrónica de consumo.


Condensadores de polipropileno metalizado automoción.

Los modelos miniaturizados F863 Clase X2, que ofrecen elevada capacidad de filtrado EMI y RFI, también se pueden emplear en entornos industriales y aplicaciones conectadas a la red eléctrica.


Switch Fast Ethernet carril DIN para entornos industriales adversos.

El IFGS-1022HPT ofrece PoE+ y extensión Gigabit a sistemas de vigilancia y otras muchas aplicaciones.


Pantallas de 15 a 19” resistentes al agua

Disponibles en muy diversas versiones, se pueden emplear en sistemas de navegación y medición, puntos de venta e información (POS / POI) en exteriores, saunas y salones de belleza, centros logísticos e industria alimentaria.


Transceiver Ethernet para aplicaciones militares y aeroespaciales.

Los modelos HI-5200/HI-5201 con interfaces MII y RMII operan en el rango de temperatura de -55 a +125 °C.


Gateway sin ventilador para aplicaciones M2M e IoT

El VIA ARTiGO A630, que tiene un diseño ultra delgado, ofrece múltiples opciones de personalización para adecuarse a las necesidades de cada proyecto.


Switch Gigabit Ethernet industrial con dos puertos SFP

El EX41922 de pequeño formato (SFF) resulta ideal en aplicaciones con restricciones de espacio.


Relés Reed multipolo para sistemas de test.

Los modelos BFH-1C (1A / 1B) aportan mejoras en resistencia de contacto y, por lo tanto, en rendimiento.


Placas madre industriales para procesadores Intel de séptima generación.

Las unidades EAX-Q170KP, EAX-C236KP, ERX-H110KP, EMX-Q170KP y EMX-H110KP son idóneas en múltiples aplicaciones embebidas.


Primer módulo IoT 4G LTE global de doce bandas.

El nuevo Gemalto Cinterion® PLS62-W ofrece cobertura de doce bandas y compatibilidad con 2G y 3G en un solo dispositivo.


Condensadores electrolíticos de aluminio axial-leaded

Los modelos de la serie AXLH soportan una corriente de rizado continua de hasta 28 A RMS y vibración de 20g en aplicaciones de misión crítica.


Paneles mTFT multi-interface de 3.5, 4.3 y 5”

Los modelos con pantalla táctil capacitiva o resistiva de la serie BT0xx pueden reproducir vídeo y gráficos con alta resolución.


MCU Flash en encapsulado SOP de 8 pines.

El HT68F001 está especialmente indicado en dispositivos alimentados por batería (pequeños electrodomésticos) y sistemas de control industrial.


Disco duro SSD SATA3 en miniatura con PCB dual.

El SDM7-M DP, que es el modelo más rápido de su clase, se puede integrar en sistemas embebidos, gaming, servidores en blade y enrackables 1U corporativos.


Pantalla OLED de 72 x 32 puntos para dispositivos wearables.

El BL7232A, que combina alto brillo y bajo consumo, tiene caracteres de color blanco sobre fondo negro.


Condensadores de alta capacidad para temperaturas elevadas

Las unidades de la serie KPS-MCC de clase C0G resultan ideales en entornos adversos.


Gateway 4G LTE para aplicaciones industriales.

Los modelos ICG-2420-LTE, que operan en el rango de -20 a +70 °C, cuentan con cuatro puertos 10/100TX, dos slots de tarjeta SIM, un RS232, un RS485 y DI/DO.


Condensadores MLCC para automoción

Los nuevos modelos con tamaño EIA 0603 responden a la demanda de miniaturización y mantienen voltajes operativos de hasta 1000 VDC.


Indicadores industriales lumínicos y sonoros con distintas opciones.

Con formato 22 x 43.5 mm, los modelos de la serie ZT se encuentran disponibles en diferentes versiones para satisfacer las necesidades de múltiples aplicaciones.


Condensadores AEC-Q200 de 35 V

KEMET y Anatronic amplían las aplicaciones de los electrolíticos de polímero en el sector de la automoción.


Switch Ethernet con ocho puertos 10/100TX para aplicaciones industriales.

El PLANET ISW-800T con diseño compacto y robusto ofrece una solución plug and play eficiente en proyectos IIoT y entornos adversos.


Condensadores MLCC SMD con calificación AEC-Q200.

Los modelos con dieléctrico U2J aportan mejoras en rendimiento y estabilidad en aplicaciones a bordo de vehículos.


Ventiladores axiales DC con motor BLDC monofásico.

Con una velocidad de hasta 16000 rpm y un flujo de aire de hasta 19.8 CFM, la gama AGB04020 resulta ideal en electrodomésticos, sistemas electrónicos y de telecomunicaciones, equipos médicos y automóviles.


Condensador electrolítico de polímero COTS para aplicaciones de misión crítica.

Con una duración de más de 1000 horas, el T540 se puede utilizar en tareas de desacople en convertidores DC-DC o como dispositivo hold-up en sistemas de almacenamiento de energía.


Switches Gigabit industriales no gestionados con slots 10G SFP+

Los modelos LNP-1002G-10G-SFP-24 (10 puertos PoE+) y LNX-1202G-10G-SFP (12 puertos) han sido diseñados para ofrecer elevado rendimiento en entornos adversos.


Módulo LCM con interfaces paralela de 8 bit y SPI de cuatro líneas en un encapsulado TAB

El BG12832B1 con controlador ST7565P-F1A está especialmente indicado en instrumentos de medición, equipos industriales, electrodomésticos y electrónica de consumo.


Box PC embebido para aplicaciones marinas.

El EMS-SKLU-Marine con certificado IEC EN60945 se puede integrar en salas de control y de máquinas, IBS (Sistema de Puente Integrado), procesos de gestión de propulsión y seguridad y sistemas de entretenimiento.


Anatronic presenta los nuevos IC Controladores de LED de colores multifuncionales de Holtek.

Los modelos HT16D35x se pueden emplear en carteles y vallas publicitarias, teclados de juegos, rhythm lamps, equipos de fitness, altavoces Bluetooth y electrodomésticos con displays.


Panel PC IP66/69K con TFT-LCD de 10.1 a 24” para la industria alimentaria.

Diseños en acero inoxidable para satisfacer los requerimientos de visibilidad y trazabilidad. Existe una creciente demanda en la industria alimentaria de automatizar los procesos de producción de alimentos y bebidas con el objetivo de mantener la calidad y la seguridad y reducir los costes.


Terminal de datos móviles (MDT) con display táctil de 7” y módulos GPS y GSM/GPRS

El BETA903A, que se suministra con accesorios de montaje en vehículo, resulta ideal en sistemas de navegación y gestión de flotas.


Smartphone rugerizado “todo en uno” con pantalla multitoque de 4.7” y Android 6.0

La nueva versión del Nautiz X2 se presenta con novedades en sistema operativo, RAM (2 GB), almacenamiento (16 GB) y escáner 2D de elevado rendimiento.


Tarjeta mezzanine para desarrollo de vídeo de automoción APIX con FPGA de Intel

La APIX2 High Speed Mezzanine Card puede transmitir simultáneamente múltiples señales de vídeo digital sobre cable de par trenzado quad (QSTP).


HMI con pantalla táctil LCD de 5.6 a 12.1”

Los modelos ARMPAC-5XXA(P) y ARMPAC-6XX(P) de bajo consumo proporcionan elevadas prestaciones, fiabilidad y estabilidad en un diseño sin ventilador.


Monitores táctiles PCAP de 5.7 a 55” para múltiples aplicaciones .

Con detección de hasta diez toques simultáneos, resultan ideales en juegos (máquinas tragaperras y ruletas), entornos industriales, transporte, sanidad y kioscos, puntos de venta y cajeros automáticos.


Tablet ultra-rugerizado con pantalla táctil PCAP de 8” y sistema operativo Windows 10 Enterprise LTSB.

El nuevo Algiz 8X ha sido diseñado para satisfacer las necesidades de trabajadores móviles.


Receptor de línea ARINC 429 aislado galvánicamente de 800 V con protección a la descarga de rayos.

El HI-8460 ofrece una solución eficiente y económica a aquellos sistemas que demandan seguridad de interfaz host o diferentes tomas de tierra en aviónica.


Reproductores de contenido 4K Ultra HD para cartelería digital.

La serie QDSP-7000 ofrece diseños sin ventilador con el respaldo de procesadores ULT Intel® Skylake / Kaby Lake con GPU Intel HD Graphics 520 / 620.


Soluciones y materiales de gestión térmica y refrigeración electrónica.

Ensamblajes de tubos termosifones bifásicos (TTB) – caloductos, spreaders, soldadura al vacío (vacuum brazes) y placas frías. Ideales en proyectos militares y aeroespaciales, energía, industria, I+D, sanidad, servidores / centros de datos y telecomunicaciones.


Condensadores cerámicos con protección ESD en formato 0603 EIA.

Con ratios de hasta 200 V, satisfacen las necesidades del sector de la automoción y múltiples aplicaciones comerciales.


Anatronic distribuye los componentes electrónicos de KEMET.

Tras el acuerdo entre ambas compañías, Anatronic suministra condensadores y supercondensadores, dispositivos electromecánicos y soluciones de compatibilidad electromagnética del conocido fabricante estadounidense.


Termostatos de disco bimetálicos con encapsulado TO220.

Los modelos subminiatura de la serie Airpax® 6700 han sido desarrollados para aplicaciones de gestión térmica en fuentes de alimentación y placas de PC con restricciones de espacio.


Antena multieje con rendimiento NFC y LF

El modelo 4DC15NF resulta ideal en sistemas de apertura remota (PKE / RKE) de vehículos y aplicaciones IoT.


Módulo inalámbrico LTE Cat. M1 para nuevos usos en el Internet de las Cosas.

Aporta mejoras en duración de red y cobertura en interiores para satisfacer las necesidades de rastreadores de mercancías, productos del sector sanitario, contadores inteligentes y sensores industriales.


Sensores de corriente para múltiples aplicaciones

Los nuevos modelos ofrecen seguridad operativa, resistencia a la radiación y flexibilidad para adaptarse a las necesidades de cada proyecto.


Timbres para aplicaciones críticas en entornos adversos.

La serie SRA es ideal en sistemas industriales, vehículos, alarmas de seguridad e, incluso, soporte vital.


Anatronic distribuye los condensadores electrolíticos de aluminio de tipo terminal snap-in más diminutos del mercado.

La serie LGM de Nichicon se puede emplear en múltiples aplicaciones con restricciones de espacio como inversores para electrónica de potencia, fuentes de alimentación conmutadas y una amplia gama de maquinaria industrial.


Microcontrolador-puente Holtek para crear auriculares.

El Earphone Bridge MCU BH45F0031 facilita la comunicación entre aparatos de atención sanitaria y teléfonos móviles.


Módulos OLED de bajo consumo con rango de temperatura ampliado.

Los modelos BL1602A, BL1602E, BL2002A y BL2004A muestran caracteres de color blanco, amarillo y verde sobre fondo negro. Aportan mejoras en rapidez de respuesta, luminosidad, contraste y eficiencia en aplicaciones de -40 a +85 °C. Disponibles en versiones COG, PCB y RS232 (frontal y trasero).


Sistemas de iluminación LED para aerotaxis y aviones comerciales pequeños.

Las luces visibles de alta intensidad ofrecen diseños robustos y ligeros cumplen los requisitos del sector de la aviación. Suministran un haz de luz blanca aviación de 6000K.


MCU A/D de 24 bits para productos de medida de alta precisión.

El MCU A/D de 24 bits del modelo BH66F5355, que integra un sensor de temperatura, es ideal en básculas, tensiómetros y termómetros.


Zumbadores y componentes piezoacústicos para aplicaciones médicas.

Los zumbadores y componentes piezoacústico de los modelos de las series “estándar”, SRA, SVC y SMAC cumplen los estrictos requisitos del sector sanitario.


Tarjeta mezzanine FPGA MIL-STD-1553 de doble canal.

El kit de desarrollo de la tarjeta mezzanine FPGA MIL-STD-1553 ADK-25850FMC-2 ofrece un diseño de referencia con formato IAW VITA 57.1 para múltiples aplicaciones.


Módulos transceivers LoRa y (G)FSK de alto rendimiento y bajo consumo.

Los módulos transceivers RYLR684 y RYLR689 son ideales en aplicaciones inalámbricas de largo alcance en todo el mundo.


Condensadores DC link para estaciones de carga de vehículos y energías renovables.

Con un dieléctrico de polipropileno metalizado en un diseño compacto y robusto, estos condensadores DC link proporcionan una energía constante y soportan condiciones ambientales adversas.


Componentes PLC para redes de suministro eléctrico inteligentes

Los componentes PLC como acopladores inductivos MICU y los filtros de bloqueo BF garantizan el aislamiento y la comunicación en estaciones de transformador de media tensión y contadores, respectivamente.


MCU para pulsioxímetros

El MCU para pulsioxímetros BH66F2560 se distingue por su capacidad de integración funcional, su elevada precisión y un bajo ruido.


Monitor para el sector ferroviario Full HD de 18.5” para sistemas de información al pasajero.

Cumpliendo el estándar EN 50155, el monitor para el sector ferroviario del modelo P718O supera los requisitos de instalación en trenes, andenes, estaciones y túneles.


Conector SMA para PCB de acero inoxidable

El conector SMA del modelo RFPC-SMA22-FN-A-E con diseños IP67, IP68 e IP69K, garantiza la protección ante elementos corrosivos y soporta los sistemas de limpieza de alta presión en las industrias alimentaria y farmacéutica.


Transformadores de potencia para cargadores OBC de vehículos eléctricos.

Los modelos de transformadores de potencia para vehículos eléctricos BC3.5LFB1.4, BC3.5LHB0.5T y BCBM-7KW-001, que tienen el certificado AEC-Q200, ofrecen un aislamiento reforzado entre el primario/secundario y el núcleo.


Gateway industrial LoRaWAN + 5G NR con cinco puertos Ethernet

Ideal en despliegues IoT, el gateway industrial LoRaWAN + 5G NR LCG-300-NR rompe la limitación de 100 metros de la transmisión en una amplia variedad de aplicaciones.


Panel PC de 15.6” con protección IP66/IP69K y certificado CID2 para condiciones de funcionamiento extremas.

El Panel PC GOT815A-TGL-WCD ofrece un diseño sin ventilador con acabado en acero inoxidable que satisface las necesidades del sector de la alimentación y la bebida y las industrias farmacéutica y petroquímica.


COMBICHOKE: Tecnología patentada CMC y DMC para electrónica de potencia.

En combinación con las bobinas de choque VACOCOIL, la tecnología COMBICHOKE resulta ideal en proyectos de movilidad sostenible y energías renovables.


Módulo GNSS de banda dual (L1 y L5) de alto rendimiento

El módulo GNSS, modelo RYS8839, que integra filtros de ruido digitales, permite proporcionar servicios de posicionamiento y navegación con la máxima precisión.


Indicadores LED de montaje en panel con bajo perfil de 6,35 mm.

Los modelos OXL/CLH/63 de indicadores LED cumplen los requisitos de aplicaciones industriales y militares.


Zumbadores IP67 para entornos adversos.

Los modelos de la serie SRA garantizan fiabilidad y larga duración en un diseño compacto y robusto.


Medidores de energía para estaciones de carga de vehículos eléctricos.

Los medidores de energía de los modelos WM3x6 y WM3M6 son ideales en las redes trifásicas de aplicaciones residenciales e industriales.


Módulo Bluetooth 5.1 de 2,4 GHz de largo alcance

El módulo Bluetooth 5.1 RYBG211 aporta grandes ventajas en distancia y velocidad de transmisión y garantiza la protección ante la EMI.


Material nanocristalino VITROPERM para aplicaciones innovadoras.

El material nanocristalino VITROPERM®, que ha obtenido el premio en la categoría ‘World Market Leader’ de los “Hessen-Champions 2022“, aporta grandes beneficios en comparación con los materiales magnéticos convencionales.


Fuentes de alimentación AC-DC de hasta 750 W con alta eficiencia

Las fuentes de alimentación de los modelos de la serie XL750, que ofrecen una elevada densidad de potencia, se pueden utilizar en entornos industriales, sistemas ITE y el sector del juego.


Receptor RF Sub-1 GHz para circuitos de control inalámbrico.

Los modelos BC2302C y BC2302D de receptores RF Sub-1 GHz ofrecen una mayor tensión de funcionamiento y características anti-interferencia a un gran número de productos.


Módulo VIA SOM-9X12 con SoC MediaTek Genio 1200 para dispositivos y sistemas edge AI

El módulo VIA SOM-9X12 facilita el desarrollo de productos innovadores en aplicaciones industriales, comerciales y de consumo.


Alarmas luminosas y sonoras para todo tipo de aplicaciones

Mallory Sonalert amplía su catálogo de productos como alarmas luminosas y sonoras con el objetivo de seguir satisfaciendo las necesidades de entornos industriales, defensa, sanidad, transporte y electrodomésticos.


Luces LED para montaje en panel en todo tipo de entornos.

Estos indicadores superan los requisitos de aplicaciones militares, comerciales e industriales.


Placa base ATX industrial con procesadores Intel 12ª gen. para proyectos edge AIoT

La placa base ATX industrial del modelo IMB540 combina E/S, interfaces de alta velocidad, capacidad de conexión multidisplay y slots de expansión para cumplir los requisitos de múltiples aplicaciones.


Convertidores step-down asíncronos para aplicaciones inteligentes.

Los modelos HT7463C (1,25 MHz) y HT7463D (550 kHz) de convertidores step-down resultan ideales en sistemas de 5, 12, 24, 36 y 48 V.


MCU Flash con controlador para aplicaciones con botones táctiles.

Los modelos BS82C16CA y BS82D20CA son ideales en cocinas de inducción, hornos microondas y mesas calefactoras eléctricas.


Material nanocristalino para choques de modo común (CMC) en múltiples aplicaciones.

Ofreciendo la máxima capacidad de atenuación, el material nanocristalino VITROPERM aporta mejoras en seguridad, eficiencia y rendimiento con respecto a las soluciones de ferrita.


SGS-6310-48T6X | Switch gestionado apilable L3 de 48 puertos 10/100/1000T y 6 puertos 10G SFP+

Con un diseño robusto 1U, el switch gestionado apilable L3 SGS-6310-48T6X garantiza un despliegue flexible en aplicaciones de red.


Módulo de detección de gestos IR para productos electrónicos inteligentes.

El módulo de detección de gestos BM32S3021-1 soporta la detección de gestos por infrarrojos a una distancia de hasta 25 cm para adecuarse a múltiples aplicaciones.


Panel PC y HMI con procesadores avanzados para fábricas y entornos adversos.

Las series ViTAM-9B y ARCHMI-9B de Panel PC y HMI combinan rendimiento, flexibilidad y capacidad de expansión para adaptarse al proceso de producción de cada factoría.


Switch PoE+ gestionado L2+ de doce puertos para entornos adversos

El nuevo Switch PoE+ gestionado IGS-5225-8P4S-12V dispone de ocho puertos PoE+ 802.3at 10/100/1000BASE-T, dos puertos SFP 100/1G BASE-X y dos puertos SFP 100/1000/ 2500 BASE-X en una carcasa metálica IP30.


VAC refuerza su compromiso con el desarrollo de sensores de corriente.

VAC, representada de Anatronic, crea el Product Management Team for Sensors dirigido por Dieter Nützel.


Componentes acústicos piezoeléctricos para proyectos militares.

Gracias a sus membranas patentadas, los componentes acústicos piezoeléctricos de Sonitron, como los zumbadores, las alarmas y los altavoces piezoeléctricos, poseen las aprobaciones de la OTAN y superan las pruebas MIL.


SoM soldable con procesador NXP i.MX 8XLite.

El modelo iW-RainboW-G46M de SOM soldable se dirige a aplicaciones V2X, vehículos conectados e Industrial IoT.


Filtros EMI para proyectos militares, aeroespaciales, ferroviarios y de comunicaciones.

Los filtros EMI de Oxley satisfacen las necesidades de innovación, calidad y fiabilidad en entornos adversos.


Conectores SMA antisabotaje IP67/IP68/IP69K para ensamblajes de cable coaxial.

Accesibles solamente desde detrás de la mampara, estos conectores SMA antisabotaje aumentan considerablemente la seguridad.


Micross amplía su oferta de componentes de alta fiabilidad con los diodos discretos de Semtech

Con el soporte local de Anatronic, el fabricante Micross ofrece un catálogo completo de componentes microelectrónicos, soluciones de memoria y productos COTS de misión crítica.


AltaAPI con soporte de Windows 11 para productos MIL-STD-1553 y ARINC.

La versión AltaAPI 4.3, que se puede descargar gratuitamente, incluye nuevas funciones de analizador de bus.


Baterías de zinc-aire para señalización vial

Los modelos KOMPACT de baterías de zinc-aire ofrecen seguridad, larga duración y suministro de tensión a semáforos y otras señales.


Tapas protectoras IP67 para conectores Nautilus SMA, TNC y Tipo-N

Ideales en entornos adversos, estas tapas protectoras contribuyen a evitar la humedad (corrosión) y mejorar la gestión de residuos.


Materiales eficientes para motores eléctricos en automoción y aviación.

La aleación magnética permanente SmCo VACOMAX® 278 HR y las laminaciones CoFe VACODUR® 49 contribuyen a aumentar la sostenibilidad en los medios de transporte.


Gateway LoRaWAN industrial con Wifi 6 para despliegues AIoT

El modelo LCG-300W ofrece una solución “todo en uno” que permite a los sensores transmitir datos sobre distancias largas con un mínimo consumo.


Solución HMI rugerizada para exteriores y entornos adversos.

La mayor interacción entre las personas y las máquinas ha aumentado la demanda de soluciones y displays rugerizados para la Industria 4.0, sistemas de automatización y el sector de la automoción.


MCU táctiles de 5 V para paneles de electrodomésticos y cerraduras inteligentes.

Hoy os traemos unos nuevos microcontroladores del fabricante Holtek, empresa representada en España y Portugal por Anatronic, S.A.


VIA SOM-9X35 Starter Kit para dispositivos Edge AI

Hoy os presentamos un nuevo kit de desarrollo del fabricante VIA Technologies, empresa representada en España y Portugal por Anatronic, S.A. Se trata del VIA SOM-9X35 Starter Kit, un kit de inicio para acortar el tiempo de llegada de dispositivos Edge AI en retail y entornos comerciales e industriales.


Tarjetas industriales BiCS5 3D TLC de 112 capas para Smart IoT y reconocimiento facial inteligente.

Gracias a la inteligencia artificial (IA), la tecnología de reconocimiento facial está ganando protagonismo más allá del ámbito policial y judicial: ya se encuentra presente en aplicaciones de retail, finanzas, transporte e incluso atención médica.


Transceivers MIL-STD-1553 de uno o dos canales para reemplazo directo.

Hoy os presentamos unos nuevos transceivers MIL-STD-1553 del fabricante Holt Integrated Circuits (Holt IC), empresa representada en España y Portugal por Anatronic, S.A. Se trata de las familias HI-15690 y HI-15691 de transceivers MIL-STD-1553.


Panel PC 10 pulgadas para embarcar en vehículos industriales.

Hoy os presentamos una nueva serie de Panel PC 10 pulgadas para embarcar en vehículos industriales. Se trata de los modelos APC-3103I y APC-3103M de Aplex Technology, empresa representada en España y Portugal por Anatronic, S.A.


MCU Rx de cargador inalámbrico con certificado WPC Qi

Hoy os presentamos un nuevo MCU del fabricante Holtek, empresa representada en España y Portugal por Anatronic, S.A.


Reproductor DSP511 para cartelería digital 4K en tiempo real en Smart Retail.

Hoy os presentamos el nuevo reproductor DSP511 para cartelería digital 4K en tiempo real para Smart Retail de Axiomtek, empresa representada en España y Portugal por Anatronic, S.A.


Columnas de señalización (stacklights) de 30 y 60 mm con luz y sonido.

Hoy os traemos unas columnas de señalización o Stacklights del fabricante Mallory Sonalert, empresa representada en España y Portugal por Anatronic, S.A. Se trata de unos Stacklights de 30 y 60 mm, que se presentan en diferentes versiones para adecuarse a las necesidades específicas de cada aplicación.


Módulo OSM soldable con procesador i.MX 8M Plus.

Hoy os presentamos un módulo OSM soldable del fabricante iWave Systems, empresa representada en España y Portugal por Anatronic, S.A. Se trata del modelo iW-RainboW-G40M, un System-On-Module (SOM) soldable que se basa en el estándar “Open Standard Module (OSM) 1.0” definido por SGET.


Terminal integrado HI-6139 con capacidad MIL-STD-1553A.

Hoy os presentamos el nuevo terminal integrado de Holt Integrated Circuits (Holt IC), empresa representada en España y Portugal por Anatronic, S.A., el HI-6139, que supone la incorporación de capacidad MIL-STD-1553A a su familia MAMBA de terminales integrados MIL-STD-1553.


Sistema de alerta y monitorización de conductor para vehículos.

Hoy os presentamos el sistema de alerta y monitorización de conductor para vehículos de VIA Technologies, empresa representada en España y Portugal por Anatronic, S.A., VIA Mobile360 M800, que simplifica la incorporación de funciones de alerta de colisión y monitorización del conductor en vehículos grandes.


Memoria MRAM de grado espacial QED de 1 Gb certificada por la NASA.

Hoy os traemos una nueva memoria del fabricante Micross Components, empresa representada en España y Portugal por Anatronic, S.A., que amplía su oferta de productos MRAM con la incorporación de una memoria MRAM de grado espacial QED (Qualified Encapsulated Device) de 1 Gb (32M x 32), que se basa en la topología de nodo de proceso pMTJ STT-MRAM de 22 nm.


MEZ-E1553 Tarjeta embebida MIL-STD-1553 con Ethernet

Hoy os presentamos una nueva tarjeta del fabricante Alta Data Technologies (AltaDT), empresa representada en España y Portugal por Anatronic, S.A. Se trata del modelo MEZ-E1553, una minitarjeta mezzanine embebida MIL-STD-1553 con Ethernet.


Módulo WiFi WE935B00 monobanda (2,4 GHz) con antena integrada.

Hoy os presentamos un nuevo módulo WiFi monobanda (2,4 GHz) con antena integrada del fabricante Wi2Wi, empresa representada en España y Portugal por Anatronic, S.A. Se trata del modelo WE935B00 de su serie EM, un módulo WiFi embebido de alto rendimiento para la banda de 2,4 GHz.


Mini-ITX AMD Ryzen V1000/R1000 para aplicaciones gráficas.

Hoy os presentamos la nueva SBC Mini-ITX AMD Ryzen V1000/R1000 de Axiomtek, empresa representada en España y Portugal por Anatronic, S.A. Se trata del modelo GMB140 que cumple los estrictos requisitos de los sectores gaming, retail y sanitario.


HI-8598 Line Driver ARINC 429 con aislamiento galvánico.

Hoy os presentamos el primer Line Driver ARINC 429 con aislamiento galvánico del mercado. Se trata del modelo HI-8598, del fabricante Holt Integrated Circuits (Holt IC), empresa representada en España y Portugal por Anatronic, S.A., que de esta manera amplía su gama de productos de aviónica con aislamiento galvánico. Además, complementa al Line Receiver con aislamiento galvánico HI-8460.


Transformador LLC full bridge y choque resonante.

Hoy os presentamos un nuevo transformador LLC full bridge del fabricante PREMO, empresa representada en España y Portugal por Anatronic, S.A. Se trata del modelo 3DP-11KWHVHV de 11 kW, que combina un transformador LLC full bridge de 150 µH y un choque resonante de 25 µH en una misma unidad.


Módulo Relé BLE de 2 canales

Hoy os presentamos un módulo relé BLE de 2 canales del fabricante Reyax, empresa representada en España y Portugal por Anatronic, S.A. Se trata del modelo RYB080I_APP1, con dos conjuntos de relés (U2 y U4) y un módulo Bluetooth v4.2 & v5.0 Low Energy (BLE).


Sensores de corriente diferencial (DI) para sistemas fotovoltaicos de próxima generación

Hoy os presentamos unos nuevos sensores de corriente diferencial del fabricante VACUUMSCHMELZE GmbH & Co, KG (VAC), empresa representada en España y Portugal por Anatronic, S.A. Se trata de unos nuevos sensores de la serie T60404-N4647-P98x, sensores de corriente diferencial (DI) diseñados para satisfacer las necesidades de los inversores fotovoltaicos de mayores dimensiones del mercado.


Altavoz piezoeléctrico SCS-32 con SP02 para entornos adversos.

Hoy os presentamos un altavoz de Sonitron, empresa representada en España y Portugal por Anatronic, S.A., que anuncia la disponibilidad del modelo SCS-32 con SP02, un nuevo altavoz piezoeléctrico de la serie SCS que garantiza un rendimiento fiable y eficiente en condiciones ambientales adversas.


Interruptores de pulsador para manijas de puertas de automóviles.

Los modelos de la serie PB-Sx, que soportan entornos adversos, están diseñados para abrir y cerrar los vehículos en combinación con sistemas de acceso seguro (PKE/PEPS).


Memoria MRAM 1Gb para aplicaciones espaciales.

Hoy os presentamos una nueva memoria que supone una ampliación al catálogo de memorias MRAM del fabricante Micross Components, empresa representada en España y Portugal por Anatronic, S.A.


Sistema embebido sin ventilador carril DIN para vehículos.

Hoy os presentamos un nuevo sistema embebido sin ventilador carril DIN para vehículos, se trata del modelo UST210-83K-FL de Axiomtek, empresa representada en España y Portugal por Anatronic, S.A., con un procesador Intel® Atom® x5-E3940 (Apollo-Lake-I) y un slot SO-DIMM DDR3L-1866 de hasta 8 GB.


Relé Reed de alta calidad para joysticks industriales.

Hoy os presentamos un relé Reed de alta calidad para joysticks industriales. Se trata de la serie RI-80 SMDM, de Comus International, empresa representada en España y Portugal por Anatronic, S.A.


Switch gestionable PoE Plus L2 L4 para montaje en pared

Hoy os presentamos un nuevo switch gestionable PoE Plus L2 L4 para montaje en pared, se trata del modelo WGS-4215-8HP2S de PLANET Technology, empresa representada en España y Portugal por Anatronic, S.A., y que posee cuatro puertos 10/100/1000T 802.3bt PoE +, cuatro puertos 10/100/1000T 802.3at PoE y dos puertos 100/1000X SFP, satisface las necesidades de todos los entornos industriales.


Ordenadores industriales sin ventilador con formato NUC.

Hoy os presentamos los nuevos ordenadores industriales sin ventilador con formato NUC, se trata de los modelos NUC-APL y NUC-APL-slim que resultan ideales en aplicaciones inteligentes (smart gateway, smart retail, smart education y smart service), equipos de videoconferencia y unidades de control.


MCU avanzado con LCD para electrodomésticos y automoción.

Hoy os traemos un MCU avanzado con LCD para electrodomésticos y automoción, del fabricante Holtek, empresa representada en España y Portugal por Anatronic, S.A.


Ensamblajes de cable resistentes a la corrosión con protección IP68 e IP69K.

Hoy os presentamos unos ensamblajes de cable resistentes a la corrosión con protección IP68 e IP69K, del fabricante Gradconn empresa representada en España y Portugal por Anatronic, S.A.


Memoria STT-MRAM de 64 Mb con diseño compacto y eficiente para aplicaciones aeroespaciales.

Hoy os presentamos una memoria STT-MRAM de 64 Mb con un diseño compacto y eficiente para aplicaciones aeroespaciales, del fabricante Micross, empresa representada en España y Portugal por Anatronic, S.A. Esta memoria STT-MRAM ofrece bajo consumo, alta resistencia, alto rendimiento y escalabilidad.


Tablet 10 pulgadas rugerizada CAXA0 para entornos sanitarios e industriales.

Hoy os presentamos la nueva Tablet 10 pulgadas rugerizada CAXA0 para entornos sanitarios e industriales de Avalue Technology Inc., se trata del modelo CAXA0 que posee un diseño mil-spec, impermeable y a prueba de polvo que supera los estándares de durabilidad y movilidad y que está fabricada usando marcos reforzados, sellados herméticos y cristal reforzado.


Aleación nanocristalina VITROPERM 550 HF.

Hoy os presentamos la aleación nanocristalina VITROPERM 550 HF, del fabricante VACUUMSCHMELZE GmbH & Co, KG (VAC), que permite reducir el tamaño y el coste y aumentar la atenuación en múltiples aplicaciones de alta frecuencia.


MCU Flash de 8 bits con ADC y controlador LCD.

Hoy os presentamos un nuevo MCU Flash de 8 bits con ADC y controlador LCD. Se trata del HT67F2355, ideal en controladores de temperatura, mandos a distancia, medidores de estaciones de carga y paneles de control de electrodomésticos.


Antena receptora para la carga inalámbrica de vehículos eléctricos.

Hoy os presentamos una nueva antena receptora para la carga inalámbrica de vehículos eléctricos. Con tecnología de núcleo magnético, las unidades de la serie WC-RX soportan una potencia de 3 a 11 kW y garantizan la fiabilidad.


CI acondicionador de señal de sensor capacitivo de 24 bits.

Hoy os presentamos un nuevo CI acondicionador de señal de sensor capacitivo de 24 bits. Se trata del MAS6513, destinado a aplicaciones con sensores capacitivos.


Condensadores de filtro AC con THB 85/85 para entornos adversos.

Los modelos de la serie ALH ofrecen una vida útil un 50 por ciento a la de alternativas similares.


Relés Reed Mini SIP para matrices de conmutación de alta densidad.

Hoy os presentamos las series 1517 y 1512 de relés reed mini SIP que son ideales para equipos de pruebas automatizados (ATE) y sistemas de adquisición de datos.


Supercondensador radial de 0,5 a 600 F con tensión de hasta 3 V.

Hoy os presentamos el nuevo supercondensador radial de 0,5 a 600 F con tensión de hasta 3 V. Se trata de las series de supercondensadores DGH y DSF que ofrecen nuevas oportunidades de aplicación.


Módulo transceiver LoRa de 2,4 GHz para aplicaciones IoT.

Hoy os traemos el nuevo módulo transceiver LoRa de 2,4 GHz para aplicaciones IoT. Se trata del nuevo modelo el RYLRC80, que integra funcionalidad ToF, combina largo alcance y bajo consumo.


Sensor de corriente de bucle cerrado con sonda magnética.

Hoy os presentamos el sensor de corriente de bucle cerrado con sonda magnética. Se trata de la nueva serie de sensores con un diseño compacto y mejoras en precisión, los nuevos modelos 4646/4647-X6XX ahora sustituyen a las series LEM LTS/LTRS (descatalogadas).


Microconector I-PEX MHF 4L LK y 5L para ensamblajes de cables coaxiales.

Hoy os traemos el microconector I-PEX MHF 4L LK y 5L para ensamblajes de cables coaxiales ideales en entornos adversos, que impiden el ingreso de agua y polvo.


Interruptor para sistemas de acceso sin llaves a vehículos.

Hoy os traemos el interruptor para sistemas de acceso sin llaves a vehículos. Con un formato diminuto, los modelos PB-Sx están especialmente indicados para abrir y cerrar los vehículos en combinación con sistemas sin llave (PKE y PEPS).


Switch PoE gestionable Layer 3 para aplicaciones críticas en pymes y redes corporativas.

Hoy os traemos el switch PoE gestionable Layer 3 para aplicaciones críticas en pymes y redes corporativas. Se trata de los modelos GS-5220-48P4X y GS-5220-48PL4XR (con alimentación redundante) poseen cuarenta y ocho puertos 10/100/1000T 802.3at y cuatro slots 10G SFP+.


Imanes permanentes de neodimio para aplicaciones médicas.

Hoy os traemos los nuevos imanes permanentes de neodimio para aplicaciones médicas.


Relés con sistemas de gestión de batería (BMS) para coches eléctricos.

Hoy os traemos los nuevos relés con sistemas de gestión de batería (BMS) para coches eléctricos. Se trata de la nueva serie 38-Q posee los certificados AEC-Q101, UL, RoHS y REACH.


Supercondensadores de 3 y 6 V para múltiples aplicaciones.

Hoy os traemos los nuevos supercondensadores de 3 y 6 V para múltiples aplicaciones. Se trata de la nueva serie DSF que aportan mejoras en potencia y densidad de energía con respecto a las unidades típicas de 2,7 Vdc.


Tarjeta mini PCIe Wi-Fi y Bluetooth 5 de modo dual para entornos industriales.

Hoy os traemos la nueva tarjeta mini PCIe Wi-Fi y Bluetooth 5 dual para entornos industriales. Se trata del modelo RYWDB00 que ofrece una solución de conectividad inalámbrica multiprotocolo.


Acopladores inductivos para PLC no intrusivos – Serie MICU de Premo.

Hoy os traemos los nuevos acopladores inductivos para PLC no intrusivos – Serie MICU de Premo. Ideales en redes de suministro eléctrico inteligentes y aplicaciones de diagnóstico de carga en vehículos eléctricos (V2G), combinan banda estrecha y banda ancha en el mismo acoplador inductivo.


Altavoz piezoeléctrico multitono para entornos adversos.

Hoy os traemos el nuevo altavoz piezoeléctrico multitono para entornos adversos. Se trata del modelo SCS-32 CON SP02, que pesa 6,7 gramos, combina calidad de sonido y proporciona una excelente limitación a la distorsión.


Materiales termoeléctricos sin Hafnio de alto rendimiento para generación de corriente eléctrica.

Os presentamos los nuevos materiales termoeléctricos sin Hafnio de alto rendimiento para generación de corriente eléctrica llamados VACOTHERM n y VACOTHERM p, que se pueden usar en los generadores TEG, resultan ideales en numerosas aplicaciones de recuperación de calor.


Tarjeta con procesador MediaTek i500 para dispositivos Edge IA.

Hoy os presentamos la nueva tarjeta con procesador MediaTek i500 para dispositivos Edge AI que combina procesamiento, funciones inalámbricas y multimedia y conectividad E/S en un formato EPIC altamente integrado.


Transmisores 2,4 GHz con codificador programable.

Hoy os presentamos una nueva serie de transmisores 2,4 GHz con codificador programable cuyos nuevos modelos son el BC5161 y BC5162 que son idóneos para controladores remotos y sistemas de domótica.


Panel PC open frame de 15 y 21” para integrar en aplicaciones industriales.

Hoy os presentamos los nuevo modelos de Panel PC open frame de 15 y 21”, OFT-15W33 y OFT-21W33, que combinan facilidad de instalación y prestaciones, se pueden integrar en kioscos multimedia interactivos, comunicación industrial, automatización de factorías y HMI.


RTC de 400 KHz con sensor de temperatura e interfaz I2C.

Hoy os presentamos el nuevo RTC con sensor de temperatura ideal para aplicaciones smart metering, el RV-3032-C7, que establece un estándar en precisión, tamaño (diminuto), eficiencia y rango de temperatura.


Bobina de choque para frecuencias mayores de 1 MHz.

Hoy os presentamos el nuevo modelo de bobina de choque para frecuencias mayores de 1 MHz VACOCOIL que respaldan proyectos de movilidad sostenible y energías renovables.


Microcontrolador con Wi-Fi y Bluetooth BLE incorporados.

Hoy os presentamos un nuevo microcontrolador con Wi-Fi y Bluetooth BLE incorporados, se trata del modelo ESP32-WROOM-32E que garantiza mejoras en estabilidad y seguridad en múltiples aplicaciones y que incluye las certificaciones más importantes del sector.


Sensores de proximidad que detectan acero.

Los modelos de la familia Comus SRA-SP aportan precisión a líneas de producción automatizadas y robots y sistemas de seguridad.


Supercondensadores de baja ESR de hasta 600 F

Los nuevos modelos de la serie DGH ofrecen un almacenamiento de energía masivo a múltiples aplicaciones.


MCU Rx de cargador inalámbrico compatible con WPC Qi.

El BP66FW1240 está especialmente indicado en productos de pequeño tamaño con batería de litio, como las fundas de auriculares TWS Bluetooth.


Los productos VAC respaldan la lucha contra la COVID-19.

La representada de Anatronic ofrece materiales como PERMENORM 5000 V5, MEGAPERM 40 L y VITROPERM 5000 que se utilizan en bombas de respiradores, equipos de rayos X portátiles y otros muchos dispositivos médicos.


Conectores SMA en ángulo recto de 6 GHz.

Los nuevos modelos Nautilus cumplen los requisitos de aplicaciones 5G e IoT.


Condensadores electrolíticos de aluminio de alta densidad en encapsulado de bajo perfil.

Con una vida útil de 5000 horas, los nuevos modelos THA y THAS se pueden usar en un mayor número de aplicaciones comerciales y militares/aeroespaciales.


Panel PC táctil de 10.4” para montaje a bordo de vehículos.

Con un diseño robusto y versátil, el GOT610-837 ha sido diseñado para integrarse fácilmente en carretillas elevadoras de almacenes.


Kit de desarrollo de aplicaciones compatible con Apple Homekit.

El ESP Apple HomeKit ADK permite crear prototipos de accesorios smart home no comerciales con los MCU ESP32 y ESP32-S2.


Disipadores de calor a nivel tarjeta personalizables.

Los modelos de la serie M45 Max Clip, que ahorran tiempo y dinero, garantizan la fiabilidad a largo plazo.


Antenas emisoras 3D para RV/RA y captura de movimiento.

Con un diseño innovador, los modelos 3DTX08 y 3DTX10 ofrecen un enfoque totalmente isotrópico en un pequeño tamaño.


Switch Ethernet gestionado L3 para entornos industriales.

El IGS-6325-16T4S posee dieciséis puertos 10/100/1000T y cuatro slots SFP 100/1000X.


Condensadores electrolíticos de aluminio con polímero con 1 mm de grosor.

Más delgados que la moneda de un céntimo de euro, los modelos PPC se encuentran disponibles en versiones a medida.


Relés Reed Mini SIP para matrices de test e instrumentación.

Los modelos de la serie 3570-14xx ofrecen alta fiabilidad en un formato diminuto.


Aleaciones basadas en cobre para coolers IGBT en vehículos eléctricos e híbridos-eléctricos.

Las láminas VITROBRAZE® garantizan una operación fiable, segura y eficiente.


Módulo transceptor con antena LoRa de 868/915 MHz

El RYLR907 se dirige a proyectos IoT y otras muchas aplicaciones.


HMI industriales de 7 a 21.5” para Industria 4.0 e IIoT

Los modelos de serie ARCHMI 8A ofrecen visibilidad completa de los equipos de automatización con capacidad de respuesta en tiempo real y acceso a los datos.


Material de cobalto-hierro para motores.

VACOFLUX® X1 contribuye a mejorar la autonomía del vehículo sin incrementar el tamaño de la batería.


Switch PoE+ M12 con ochos puertos 10/100TX para sistemas de transporte público y aplicaciones industriales.

El ISW-808PT-M12 suministra datos y alimentación de manera fiable en entornos adversos.


Fuentes de alimentación AC-DC de 275 W en formato 3x5” con microcontrolador digital.

Las unidades de la serie XL275 aportan eficiencia y densidad de potencia a numerosas aplicaciones.


Condensadores con filtro de armónicos AC para sistemas monofásicos y trifásicos.

Las unidades de la serie PC poseen un rango de capacidad de 20 a 125 µF con una tensión de 300 a 700 Vac y tienen una vida útil de 60.000 horas.


Sistema de seguridad para autobuses y autocares

El VIA Mobile360 M810 facilita la incorporación de funciones ADAS y ayuda a reducir el riesgo de accidentes.


Microcontrolador para motores sin escobilla.

Las series HT32F65230 y HT32F65240 se dirigen a escúteres eléctricos, campanas extractoras y una gran variedad de ventiladores.


Sistema de visión embebida PoE con procesador Coffee Lake-S

El eBOX671-521-FL con diseño sin ventilador resulta ideal en aplicaciones de visión artificial, edge computing, monitorización de tráfico, aprendizaje profundo e inteligencia artificial de las cosas.


Diseño de referencia mini PCIe de canal dual para MIL-STD-1553.

El kit ADK-2130mPCIe-1F/2F permite añadir uno o más canales de MIL-STD-1553 a cualquier sistema procesador y mantener el pequeño formato.


Módulo PICMG COM R3.0 Tipo 6 para entornos adversos.

El ESM-CFH combina rendimiento y eficiencia y aporta infinitas posibilidades de uso.


Systems-in-Package (SiP) LoRa para diseños IoT

Los modelos de la familia SAM R34/R35 ofrecen altas prestaciones, eficiencia y un buen número de funciones de radio y periféricos.


Panel PC táctil de 15” para entornos con restricciones de espacio.

El modelo GOT115-319 con un diseño sin ventilador resulta ideal en el sector retail y centros de producción inteligentes.


MCU Flash con funciones de controlador de LCD táctil.

El BS67F2563 ofrece una excelente solución MCU para aplicaciones de bajo consumo en standby.


Solución de procesamiento de alta velocidad para aplicaciones espaciales.

El RT PolarFire® FPGA ayuda a eliminar los cuellos de botella sin aumentar el consumo ni el coste.


Placa madre Thin Mini ITX para aplicaciones industriales.

La EMX-KBLU2P está especialmente indicada en PC “todo en uno”, POS, cartelería digital y kioscos.


MCU Flash detector de humo.

El BA45F5250 resulta ideal en alarmas por voz y con WiFi y sistemas NB-IoT.


Pantallas para la industria de la alimentación de 7 a 21.5”

Las unidades de la serie FABS-1XX cumplen los estrictos requisitos de seguridad e higiene en fábricas de alimentos y bebidas.


Buzzers multifrecuencia eficientes y fáciles de integrar.

Los modelos de la serie SMB ofrecen la posibilidad de programar diferentes frecuencias en un amplio rango de aplicaciones.


Condensadores electrolíticos de aluminio ultraplano

Los modelos de la serie ULP ahorran gran cantidad de espacio al reemplazar a grandes arrays de condensadores SMT.


Anatronic distribuye los productos de Microchip

Amplía su oferta de semiconductores, componentes analógicos, FPGA, conectividad y gestión de energía.


Validación de las soluciones de sustitución MIL-STD-1533.

La nueva familia RT, que cumple totalmente la especificación, ofrece compatibilidad a nivel de pines y software.


Placa madre industrial Mini ITX con Quad Gigabit LAN

El modelo EMX-C246P es ideal en dispositivos de red, servidores NAS, centros multimedia, sistemas de control y otras aplicaciones embebidas.


Display PMOLED gráfico de 3.83” y 320 x 132 puntos

El BL320132A resulta ideal en contadores, sistemas POS, instrumentos portátiles, dispositivos médicos y aplicaciones en el sector de la automoción.


Supercondensadores de doble capa con formato de pila de botón.

Los nuevos EDLC de las series EDC y EDS ofrecen backup de memoria en circuitos de hasta 6,3 WVDC.


Microcontrolador para cargadores de baterías.

El HT45F5Q-3 permite controlar múltiples corrientes y diferentes tensiones contantes.


Material amorfo para sistemas de calentamiento por infrarrojos.

VITROBRAZE® resulta ideal en instalaciones deportivas, entradas para peatones y vehículos, tejados y pistas de rodaje en aeropuertos.


Chip controlador Ethernet compatible con IPv4 / IPv6

El W6100 ofrece una solución fiable y eficiente en un gran número de aplicaciones y entornos.


Box PC con switch PoE gestionado Layer 2 de diez puertos para el sector del transporte.

El tBOX400-510-FL ofrece una solución “dos en uno” en aplicaciones de vigilancia IP a bordo de vehículos, trenes y barcos.


Disipadores de calor de aluminio extruido.

Optimizando la refrigeración, se pueden usar en sistemas de convección natural o forzada con un ventilador.


Slot PC sin ventilador con procesadores Intel de sexta y séptima generación.

El SLP-SKG es ampliable y cumple los requisitos en automatización de factorías y otras aplicaciones embebidas.


Terminales MIL-STD-1553 compatibles con los modelos de DDC®

Ofrecen un reemplazo sencillo y funcional sin necesidad de cambios en la distribución de tarjeta ni en el software.


Sistema embebido para aplicaciones de visión artificial.

El controlador IPS960-511-PoE cumple los requisitos de diferentes plataformas y equipos de inspección automática.


MCU para productos portátiles alimentados por batería de litio.

Los modelos BP45F0102, BP45F0104 y BP45F0106 resultan idóneos en aplicaciones con dos celdas secas o NiMH.


Panel PC industriales de 15 a 21,5” para aplicaciones IIoT e Industria 4.0

Los nuevos modelos ViPAC están especialmente indicados en tareas de control y gestión de automatización de factorías.


Circuito integrado de protocolo ARINC 429 con protección contra rayos.

El HI-35930 elimina la necesidad de componentes externos y ofrece compatibilidad de software con los anteriores dispositivos.


Placas madre embebidas ATX con procesadores Intel de octava generación.

Las unidades EAX-C246P resultan idóneas en automatización, entornos industriales, máquinas de packing en el sector sanitario y otras muchas aplicaciones embebidas.


Módulo OLED monocromo de 5,5” con matriz de 256 x 64 puntos.

Con dieciséis escalas de grises (verde) y vida útil de 50.000 horas, el BL25664D resulta ideal en instrumentación, máquinas de automatización de factorías y dispositivos portátiles.


Network appliance para montaje en rack y diseño escalable de 1U

El NA861 está especialmente indicado en sistemas de seguridad digital y videovigilancia, gestión de tráfico de red y seguridad virtualizada.


Switch Ethernet gestionado L2+ con formato compacto para entornos industriales.

El IGS-5225-4T2S posee cuatro puertos de cobre 10/100/1000T y dos puertos SFP 100/1000X, así como numerosas funciones de seguridad.


Placas madre industriales con procesadores Intel Core.

Con un consumo máximo de potencia de 95 W, los modelos EAX-H81P y EAX-H110KP satisfacen las necesidades de diferentes entornos y aplicaciones.


Antenas emisoras magnéticas para el sector de la automoción.

Las unidades flexibles de la serie KGEA-AF están diseñadas para cumplir los requisitos de sistemas PKE, acceso RFID-LF, aplicaciones RTLS y comunicaciones Car2Car.


Switches PoE Gigabit no gestionados con gran cantidad de puertos para exteriores y entornos adversos.

Las series LNP-1600G, LNP-1802G-SFP y LNP-2004G-SFP cumplen los requisitos de ancho de banda, transmisión de datos a larga distancia y fiabilidad.


Condensadores electrolíticos de aluminio snap-in para automoción.

Los modelos ALA7D y ALA8D resultan ideales en muy diversas aplicaciones de e-mobility.


Relés PhotoDMOS con certificación AEC-Q101 para el sector del automóvil.

Los modelos de la serie 38-Q ofrecen una capacidad de conmutación de 600 VDC en encapsulados SOP-4 (1 Form A) y SOP-8 (2 Form A).


Transmisores SerDes de dos canales para aplicaciones de infoentretenimiento a bordo del vehículo.

Los nuevos modelos TWIN de la familia APIX3 permiten el envío simultáneo y en tiempo real de vídeo, audio y datos a una velocidad de hasta 6 Gbps.


Panel PC con pantalla multitoque de 17,3 y diseño sin ventilador.

El APC-1733 se puede integrar en equipos médicos, HMI industriales y kioscos autoservicio.


Varistores para automoción con el certificado AEC-Q200.

Diseñados para rendir con temperaturas de hasta +150 °C.


Kit de evaluación de sensor aislado galvánicamente de 800 V

El ADK-8400 muestra los beneficios del HI-8400 para aplicaciones de aviónica.


Transformador LLC full bridge y choque resonante en un innovador componente inductivo.

El 3DP-7kWHVHV-001, que se beneficia del concepto Premo 3DPower, resulta ideal en cargadores on-board de vehículos híbridos eléctricos (HEV).


MCU Flash de 32 bit con excelente relación precio / rendimiento y mínimo consumo de energía.

Basados en Arm® Cortex®-M0+, los modelos HT32F52344 y HT32F52354 resultan ideales en TFT-LCD, cerraduras inteligentes, terminales IoT, wearables, electrodomésticos y periféricos de juegos USB.


Altavoces piezocerámicos para un gran número de aplicaciones.

Los modelos Blue Line SPS reproducen señales de sonido con mínima distorsión (por debajo del 1 por ciento) y amplio rango de frecuencia. Con formato ultradelgado, combinan elevado rendimiento y bajo consumo.


Dispositivos de protección con función dual para el sector del automóvil.

Cada modelo de la serie VARICON OV reemplaza a dos componentes: un varistor de baja tensión y un condensador.


Interfaces MIL-STD-1553 compatibles con software de sistema legacy

Los modelos de la familia HI-6200 ofrecen funciones adicionales para garantizar la fiabilidad en entornos adversos.


Plataforma edge computing con soporte de Windows 10 IoT Core.

La VIA VAB-820 con formato Pico-ITX satisface las necesidades de sistemas embebidos y dispositivos inteligentes de pequeño tamaño.


Microcontroladores de 32 bit con memoria Flash integrada a 2,5 o 5,5 V.

Basado en Arm® Cortex®-M0+, los modelos HT32F50220, HT32F50230, HT32F50231 y HT32F50241 son ideales en electrodomésticos inteligentes, sistemas de automatización en el hogar, productos sanitarios y equipos de alimentación.


HMI basados en Intel con módulos de expansión I/O.

Con TFT-LCD de 7 a 21”, la serie APLEX ARCHMI está especialmente indicada en aplicaciones inteligentes en entornos industriales.


VAC presenta sus últimas novedades para el vehículo eléctrico.

Núcleos nanocristalinos permeables con VITROPERM, sensores de corriente diferencial y sistemas magnéticos permanentes con VACOMAX 262 HR.


Transmisores y receptores APIX3 con tecnología SerDes para el sector del automóvil.

Permiten la transmisión simultánea de vídeo, audio y datos en tiempo real a 12 Gbps.


Conversores de discreto a digital con protección ante descarga de rayos.

Los nuevos modelos superan los requisitos de RTCA/DO160G y Airbus ABD0100 y están disponibles con rango de temperatura industrial y extendido.


Pantalla OLED de 72 x 32 puntos con controlador integrado para wearables.

El BL7232A, que tiene caracteres de color blanco sobre fondo negro, combina alto brillo y bajo consumo.


Ordenadores embebidos para sistemas de automatización de factorías e IoT.

Disponibles en diversas versiones (high-end, mainstream y entry), los modelos de la serie TiTAN resultan ideales en equipos de control y monitorización remota.


HI-8400 Circuitos integrados de 4 canales discreto a digital aislados galvánicamente y protegidos contra rayos.

El HI-8400, que cumple la especificación Airbus ABD0100, es ideal en aplicaciones de aviónica.


Material nanocristalino para sistema de carga inalámbrica de Smartphones.

Hoy os traemos un material nanocristalino para sistema de carga inalámbrica de Smartphones. Se trata del material nanocristalino VITROPERM 800 que ofrece apantallamiento, eficiencia y flexibilidad para crear numerosas posibilidades de aplicación.


Microconector Secure Lock MHF I LK para ensamblajes de cables coaxiales

Ideal en aplicaciones con limitaciones de espacio que requieren una conexión segura y fiable con el respaldo de un mecanismo de cierre integrado.


Condensadores de película polipropileno metalizado.

Los modelos de las series C4AQ y C4AF, que cumplen lo establecido en AEC-Q200, se pueden usar en diseños industriales, automoción y fuentes de alimentación.


Kit PoE de largo alcance para entornos industriales.

Permite la transmisión de datos y energía sobre cualquier cable coaxial, UTP o telefónico a una distancia de hasta 600 metros (1968 pies). Ideal en sistemas de transporte inteligentes (ITS), vigilancia de tráfico, monitorización de seguridad y control de automatización.


Aleaciones y materiales magnéticos blandos para el sector de la automoción.

VACOFLUX 9 CR, 17, 18 HR y 50 satisfacen las estrictas necesidades de los nuevos motores de diésel y gasolina.


BSP Linux para el módulo VIA SOM-9X20 con plataforma embebida Qualcomm® Snapdragon™ 820E.

Acelera el desarrollo de sistemas y dispositivos de inteligencia artificial (IA) de próxima generación.


Kits de desarrollo para aplicaciones Ethernet PHY

Holt Integrated Circuits (Holt IC), empresa representada en España y Portugal por Anatronic, S.A., anuncia la disponibilidad de dos nuevos kits de desarrollo para aplicaciones Ethernet PHY.


Tablet PC táctil con protección IP65 fácil de limpiar.

El modelo SPC 1533 con cubierta de acero inoxidable está especialmente indicado para entornos adversos.


Módulo LCD gráfico de 128x64 en encapsulado COG

El BO12864H se puede emplear como display de múltiples dispositivos y aplicaciones.


Panel PC industriales para sistemas de automatización de factorías.

Los modelos ViPAC con diseño modular combinan capacidades de adquisición de datos y funciones informáticas para satisfacer las necesidades específicas de cada centro de producción.


MCU de 32 bit basado en Arm® Cortex®-M0+

El HT32F0008, que cuenta con numerosos periféricos de alta velocidad, resulta ideal en sistemas de reconocimiento de huella digital, terminales IoT, wearables, Smartphones y tabletas y electrónica de consumo.


Módulos COM Express Tipo 6 para aplicaciones comerciales y militares / aeroespaciales.

El ESM-APLC resulta ideal en placas embebidas, MID / UMPC, microservidores / servidores y electrónica de consumo, en tanto que el ESM-KBLU se puede usar en cartelería digital, Thin Client, cajeros automáticos, kioscos inteligentes, appliances de almacenamiento y sistemas de vigilancia.


Monitores táctiles PCAP de 21.5 a 43” para múltiples aplicaciones.

Con detección de hasta diez toques simultáneos, resultan ideales en juegos (máquinas tragaperras y ruletas), kioscos, y entornos industriales.


Kit de desarrollador con Qualcomm® Snapdragon™ 820E Embedded Platform para proyectos de inteligencia artificial.

El VIA Edge AI Developer Kit reduce el tiempo de llegada al mercado de cámaras inteligentes, sistemas de señalización, kioscos interactivos, robots y otros muchos dispositivos optimizados para aplicaciones de vídeo.


Conversor de medio de cobre a fibra 10GBASE-X SFP+ para aplicaciones industriales.

El PLANET IXT-705AT con formato compacto ofrece flexibilidad, seguridad y fiabilidad en una solución plug and play para carril DIN y pared.


Condensadores electrolíticos de aluminio planos para aplicaciones militares y aeroespaciales.

Los modelos MLSG con junta soldada ofrecen hasta 5.000 horas de rendimiento a +125 °C en sistemas de alimentación de misión crítica.


Fuentes de alimentación conmutadas AC-DC de hasta 500 W.

Las unidades XLM500, que ofrecen elevada potencia en un formato de 5 x 3”, resultan ideales en aplicaciones ITE y entornos sanitarios.


Condensadores cerámicos con protección ante descarga electrostática (ESD).

Disponibles en formatos miniaturizados con rango de tensión de 16 a 250 VDC, resultan ideales en el sector de la automoción y aplicaciones comerciales.


Procesador IOP para Internet de las Cosas (IoT)

El W7500P garantiza la conectividad en aplicaciones de larga duración.


Condensadores SMD para semiconductores WBG de conmutación rápida.

Los modelos KC-LINK pueden operar con mayores tensiones, temperaturas y frecuencias en aplicaciones industriales y el sector de la automoción.


Condensadores electrolíticos de aluminio herméticos de bajo perfil MLSH

Los modelos de tipo MLSH se pueden usar en radares, fuentes de alimentación en aeronaves militares y comerciales y múltiples sistemas de misión crítica.


Switches Hardened Full-Gigabit Layer 3 de 28 puertos.

Diseñados para montaje en rack 1U, los modelos EtherWAN EX77900 resultan ideales en aplicaciones 24/7 de misión crítica.


Panel PC rugerizados industriales para automatización y sistemas embarcados.

Las versiones avanzadas 1232/1532 de la serie ARC se pueden usar en proyectos de automatización industrial (smart factory), HMI, sistemas a bordo de vehículos e IoT.


Condensadores electrolíticos de polímero de aluminio de hasta 250 VDC

Disponibles en versiones de montaje superficial y through-hole, ofrecen mejoras en fiabilidad y ahorro de espacio a múltiples aplicaciones.


Conectores coaxiales impermeables para PCB.

Los nuevos modelos Nautilus con un par de tomas SMA de ángulo recto aportan numerosas ventajas en aplicaciones con restricciones de espacio en entornos adversos.


PDA industrial con pantalla táctil multi-touch de 5” y Android 8.0

El modelo PCT5231 se convierte en el compañero perfecto de los profesionales de sectores como transporte, logística y retail.


Materiales magnéticos para automoción

La tecnología VACSTACK®, que ya se usa con éxito en los principales campeonatos de carreras de coches, ofrece mejoras en densidad de potencia y eficiencia para satisfacer los requisitos más exigentes.


Relés Reed STG para sensores de nivel en tanques.

Ideales en procesos de fabricación de alimentos, medicamentos y productos químicos.


Box PC sin ventilador con procesador Intel® Apollo Lake y cuatro puertos COM .

La serie QBOX-2090 se convierte en una plataforma conectada e inteligente para aplicaciones gráficas “intensivas”.


Condensadores electrolíticos de aluminio de carga axial para entornos adversos.

Con tecnología de sellado vidrio-metal, los nuevos modelos de la serie HHT ofrecen elevada capacidad con una temperatura operativa de hasta +175 °C y soportan una vibración de hasta 20g.


Pantalla OLED para dispositivos wearables e IoT de 128 x 32 puntos.

El BL12832D con fondo blanco combina alto brillo, bajo consumo y pequeño formato.


Condensadores electrolíticos de aluminio de bajo perfil

Las series THA y THAS ayudan a los diseñadores a crear productos más compactos con mejoras en fiabilidad y facilidad de montaje.


Microcontrolador con Bluetooth Low Energy (BLE)

Basado en el procesador Arm® Cortex®-M0+, el BC32F7611 se puede integrar en productos sanitarios, electrodomésticos, balizas de información, juguetes inteligentes y registradores de datos.


Panel PC industrial para la automatización y seguridad

La serie APLEX ViPAC responde a las necesidades de proyectos de control industrial, automatización de factorías, sistemas de seguridad y vigilancia y Big Data.


Zumbadores piezoeléctricos para sistemas de alarma.

Los modelos SAS-2155 y SAST-2155 ofrecen un sonido potente y “poco agresivo” para adecuarse a las necesidades de sistemas contra incendios, vehículos, dispositivos de seguridad o equipos de automatización.


Tarjeta XMC de hasta diez canales para redes militares MIL-STD-1553

La nueva XMC-1553 resulta ideal en sistemas PCI Express, VPX, VME, ordenadores monotarjeta (SBC) y soluciones CompactPCI o PXI Express.


Switches Gigabit PoE+ no gestionados con cinco puertos para entornos industriales.

Los modelos de la serie LNP-C500G ofrecen conectividad, transmisión de datos a larga distancia y fiabilidad en un formato compacto.


Aleaciones magnetocalóricas de tierras raras para dispositivos de refrigeración.

La familia CALORIVAC® ofrece una alternativa sostenible y eficiente en equipos de refrigeración industrial, sistemas de aire acondicionado en vehículos y edificios y refrigeradores en supermercados. El proyecto MagMed se beneficia de las prestaciones de estos materiales para introducir un novedoso enfoque de transferencia de calor en entornos sanitarios.


Conectores coaxiales tipo N impermeables para entornos adversos.

Los modelos Nautilus con configuración de montaje frontal y trasero están especialmente indicados en entornos adversos, como gestión de residuos, smart metering, agricultura y ganadería.


Microcontroladores con memoria Flash para aplicaciones de protección contra el fuego.

Los modelos BA45F0082 y BA45FH0082 resultan idóneos en alarmas, detectores de temperatura / humo y sistema de monitorización de incendio.


Tarjeta Mini PCI Express para redes MIL-STD-1553 de dos canales.

La MPCIE2-1553 con diseño miniaturizado resulta ideal en plataformas aviónicas embebidas y portátiles.


Display OLED anti-reflejo con caracteres azules o blancos sobre negro.

El BL12896A con pantalla anti-reflejo de 128 x 96 puntos ofrece pequeño formato y bajo consumo en wearables y dispositivos para Internet de las Cosas.


Tablet ultra-rugerizado de 10.1” con varias opciones de sistema operativo.

Los modelos Algiz 10X se encuentran disponibles con Windows 7 o Windows 10.


Drivers de línea ARINC 429 con modo tri-state

Los dispositivos de la familia HI-8500 permiten la conexión a un bus de datos en procesos de redundancia o test de sistemas de aviónica.


Box PC embebidos para proyectos “smart factory”

Los modelos de la serie TiTAN garantizan la conectividad de sistemas H2M / HMI / SCADA y proporcionan el máximo rendimiento informático en las fábricas.


Pantallas curvas cóncavas y convexas

Modelos UHD de hasta 43” para un sinfín de aplicaciones.


Apacer muestra sus últimas novedades en tecnología SSD para aplicaciones industriales.

La nueva representada de Anatronic ofrece soluciones de almacenamiento SSD Flash NAND 3D, DRAM anti-sulfuración y Wide Temp y módulos de comunicación CAN.


MCU SoC receptor OOK super-regenerativo RF sub-1GHz

EL BC68F2420, que opera en las bandas de frecuencia ISM de 315 y 433, resulta ideal en aplicaciones de control inalámbrico de proyectos Smart Home.


Condensadores electrolíticos de aluminio con polímero híbrido conductor y terminal tipo chip.

Con una vida operativa de 4000 horas a +125 °C, los modelos de la Serie GYA satisfacen las necesidades de rendimiento en automóviles, maquinaria industrial y otras muchas aplicaciones.


Protectores de circuito magnéticos hidráulicos.

Los modelos de la serie Airpax™ SNAPAK® se pueden integrar en equipos de oficina, sistemas electrónicos de procesamiento de datos, dispositivos médicos y máquinas expendedoras. Ofrecen las funciones de tres componentes separados (switch de potencia, fusible y cabezal de fusible).


Condensadores de polímero orgánico para aplicaciones aeroespaciales.

La serie T583 satisface las necesidades de proyectos de misión crítica.


Herramienta de prototipado rápido para aplicaciones IoT.

La placa de desarrollo Cinterion® Connect Shield con entorno de diseño Arduino y chipset de módem inteligente fomenta la creación de soluciones eficientes basadas en módulos de conectividad.


Condensadores electrolíticos de aluminio de tipo terminal snap-in de 450 V

Las unidades de la serie LAS ayudan a incrementar la seguridad en equipos usados en regiones donde las fuentes de alimentación son inestables.


Conector tipo N para entornos adversos.

Nautilus N aporta mayor resistencia en aquellos proyectos donde la durabilidad es un factor importante.


Sensor de corriente residual y aleación nanocristalina para vehículos eléctricos.

BEVAC y VITROPERM® 712 ofrecen elevado rendimiento en electro movilidad y redes inteligentes.


Switches Gigabit gestionados Layer 2+ con soporte IPv4/IPv6 para centros de datos y proveedores de servicios.

Los modelos PLANET GS-5220-20T4C4X y GS-5220-20T4C4XR poseen veinticuatro puertos Gigabit Ethernet 10/100/1000Mbps, cuatro slots SFP Gigabit SFP compartidos y cuatro slots uplink SFP+ 10G.


Varistores through-hole y SMD para automoción, sanidad y electrónica industrial.

Siete nuevas series ofrecen versatilidad a través de gestión de transitorios / EMI (función dual), resistencia a la humedad y calificación AEC-Q200.


Alarmas sonoras para entornos sanitarios.

Altavoces y transductores piezoeléctricos con diseño ligero (entre 6 y 16 gramos) y “volumen” de 85 a 105 dBa @ 10 cm.


Materiales magnéticos blandos para el sector de la aviación.

Las aleaciones de cobalto / hierro VACOFLUX® y VACODUR® ayudan a disminuir el tamaño y el peso de los componentes y, al mismo tiempo, a seguir cumpliendo los estándares de rendimiento e impacto ambiental.


Switches Ethernet no gestionados de ocho puertos.

Las series EX32008 y EX42008 para carril DIN se pueden emplear en entornos industriales y adversos.


Módulo LCM con opciones de matriz de 192 x 32 puntos, caracteres chinos y ASCII.

El BG19232A resulta ideal en instrumentos de medición, equipos industriales, electrodomésticos y electrónica de consumo.


Panel PC IP66 de 7 y 8” para vehículos comerciales e industriales.

Los modelos APC-3072 y APC-3082 con pantalla LCD de alto brillo se pueden conectar a dispositivos locales e intercambiar datos con un centro de control en aplicaciones 24/7.


MCU Flash SoC de transmisor RF sub-1 GHz

Los modelos BC68F2130 y BC68F2140 pueden operar en las bandas de frecuencia de 315, 433, 868 y 915 MHz y soportan modulación OOK / FSK.


Plataforma de aceleración para proyectos de Internet de las Cosas (IoT).

La tarjeta VIA SOM-6X50 respalda aplicaciones de ticketing (venta de entradas) automatizado, cartelería y kioscos.


Pantallas Alpha Display para cartelería digital y entornos 24/7.

Modelos de 27 a 82” con numerosas opciones para responder a las necesidades de cualquier proyecto profesional.


Sensor “todo en uno” para múltiples aplicaciones.

El modelo ASR8800 integra funciones de sensado de luz ambiente (ALS), luz infrarroja (IR), índice UV de radiación solar (SUVI) y proximidad (PS) con un diodo láser VCSEL e interfaz digital I2C.


SBC ECX de 3.5” con procesador ULT Intel® Skylake / Kaby Lake.

Las series ECX-SLU0 / KLU0 ofrecen una plataforma embebida de alta velocidad con soporte de sistemas 4K Ultra HD.


Terminal de datos móviles con display táctil de 7” y sistema operativo Android.

Gracias al módulo 3G / GPS, el BE905A2 transmite información de localización y soporta comunicación de voz y datos con un centro de control. Se suministra con accesorios de montaje en vehículo.


Solución HDBaseT: monitor táctil de 15” con extensor y módulo Rx

La combinación del IPM-1501B y del IP-TBOXB satisface las necesidades de aplicaciones de cartelería digital, imagen corporativa, recepciones y zonas de entrada, campus educativos, PC industriales (IPC) y pantallas multimedia.


Switches PoE Gigabit no gestionados con formato carril DIN.

Las unidades de la serie EX46900A están especialmente indicadas en aplicaciones a bordo de vehículos y entornos industriales.


Anatronic distribuye la serie ViTAM de Panel PC y monitores industriales

Los nuevos modelos con LCD de 10.1 a 24” y cubierta de acero inoxidable amplían la capacidad de expansión en múltiples aplicaciones.


Rotores con motor BLDC de ocho polos

La serie BGN31015 resulta ideal en soluciones de ventilación en telecomunicaciones, networking, automatización de hogares y oficinas, sanidad y entornos industriales.


Solicitar información

;



logo Sumindustria

SumIndustria le informa

Responsable ZOOM PUBLICIDAD Y COMUNICACIÓN, S.L.
N.I.F. B-86681756
C/ Luis de Hoyos Sainz nº174, Oficina 13
28030 – Madrid
Teléfono: +34 91 772 72 10
Correo electrónico de contacto en materia de datos personales: protecciondedatos@sumindustria.es
Finalidad Sus datos personales serán tratados con la finalidad de gestionar las consultas y sugerencias realizadas, contactando para ello con el usuario a través de los medios indicados en la solicitud. La información requerida es imprescindible para atender su consulta.
En su caso y si el usuario ha prestado su consentimiento expresamente mediante la cumplimentación de la casilla correspondiente, los datos personales serán tratados con la finalidad de remitirle, por cualquier medio, comunicaciones comerciales relativas a ofertas y promociones de los productos y servicios de la empresa.
Legitimación La base jurídica para el tratamiento de sus datos personales es su consentimiento al rellenar y enviar el formulario correspondiente.
Destinatarios No se ceden datos personales a terceros salvo obligación legal.
Derechos Le informamos de que puede ejercitar gratuitamente sus Derechos de Acceso, Rectificación, Supresión, Oposición y Limitación al tratamiento de sus datos, así como a la portabilidad de los mismos y a no ser objeto de una decisión basada únicamente en el tratamiento automatizado, incluida la elaboración de perfiles. Si usted desea ejercitar cualquiera de los derechos enunciados anteriormente, por favor, póngase en contacto con nosotros a través del siguiente correo electrónico:
protecciondedatos@sumindustria.es
Si desea más información sobre nuestra Política de Privacidad, consulte el siguiente enlace pulsando aquí